SNAS480N May 2010 – August 2015 ADC12D1000 , ADC12D1600
PRODUCTION DATA.
SPACE
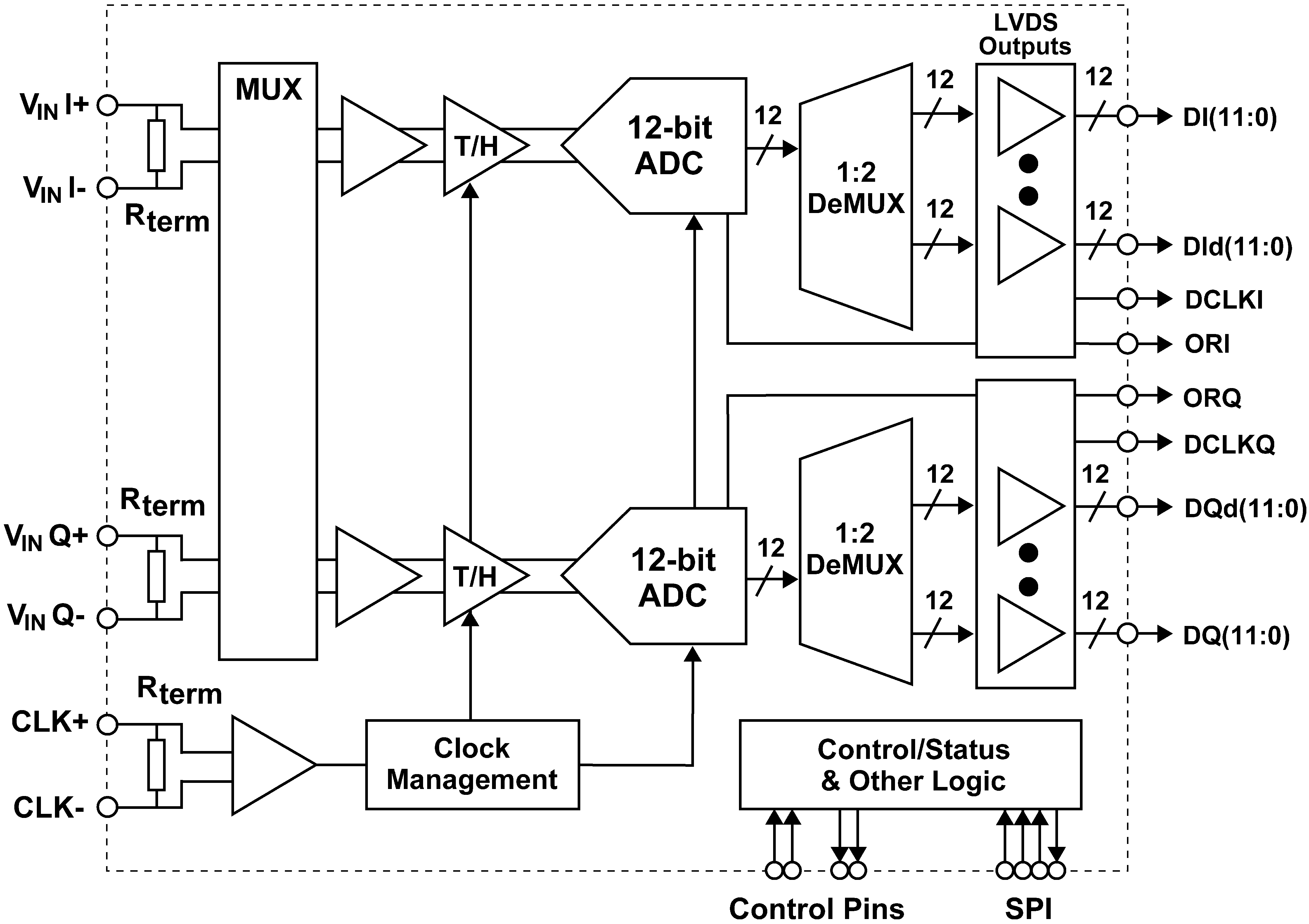
The 12-bit, 2.0/3.2 GSPS ADC12D1x00 device is the latest advance in TI's Ultra High-Speed ADC family and builds upon the features, architecture, and functionality of the 10-bit GHz family of ADCs.
The ADC12D1x00 provides a flexible LVDS interface which has multiple SPI programmable options to facilitate board design and FPGA/ASIC data capture. The LVDS outputs are compatible with IEEE 1596.3-1996 and support programmable common-mode voltage.
The ADC12D1x00 is packaged in a leaded or lead-free 292-pin thermally enhanced BGA package over the rated industrial temperature range of –40°C to 85°C.
| PART NUMBER | PACKAGE | BODY SIZE (NOM) |
|---|---|---|
| ADC12D1000 | BGA (292) | 27.00 mm × 27.00 mm |
| ADC12D1600 |

