SLVS613D October 2005 – December 2015 TPS65021
PRODUCTION DATA.
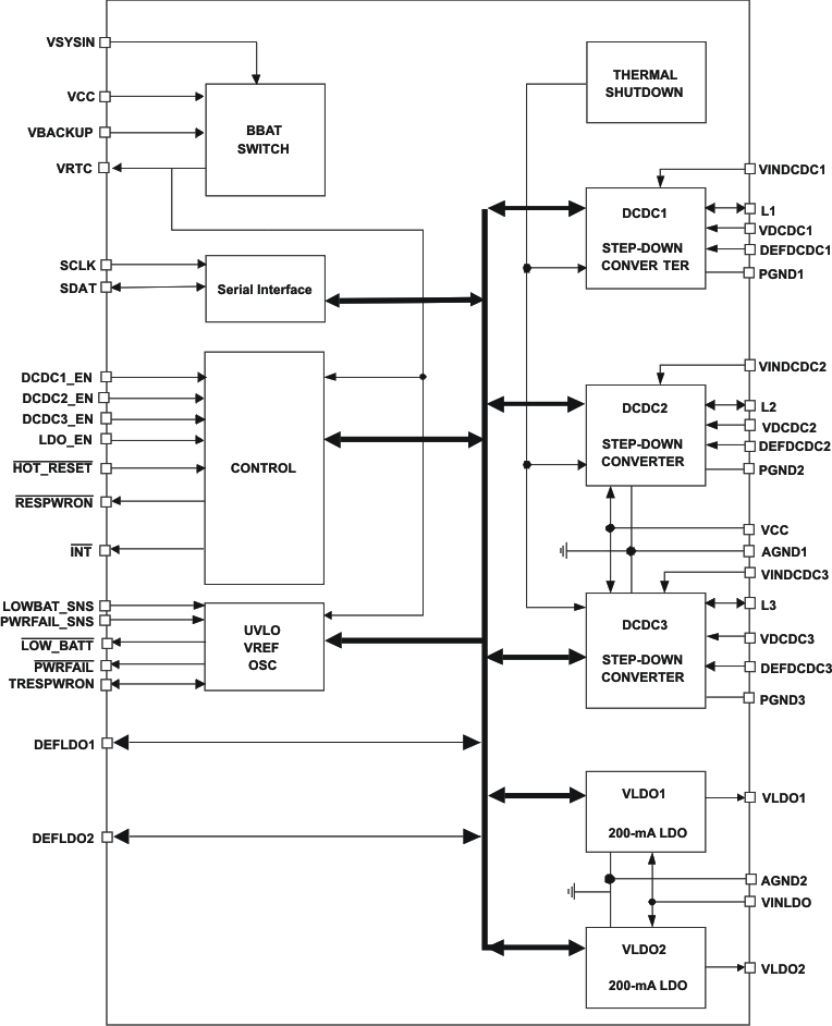
TPS65021 has 5 regulator channels, 3 DCDCs and 2 LDOs. DCDC3 has dynamic voltage scaling feature, DVS, that allows for power reduction to CORE supplies during idle operation or over voltage during heavy-duty operation. With DVS and 2 more DCDCs plus 2 LDOs, the TPS65021 is ideal for CORE, Memory, IO, and peripheral power for the entire system of a wide range of suitable applications.
The device incorporates enables for the DCDCs and LDOs, I2C for device control, pushbutton and a reset interface that complete the system and allow for the TPS65021 to be adapted for different kinds of processors or FPGAs.
For noise-sensitive circuits, the DCDCs can be synchronized out of phase from one another, reducing the peak noise at the switching frequency. Each converter can be forced to operate in PWM mode to ensure constant switching frequency across the entire load range. However, for low-load efficiency performance the DCDCs automatically enter PSM mode which reduces the switching frequency when the load current is low, saving power at idle operation.
The VRTC pin is an always-on output, intended to supply up to 30 mA to a permanently required rail. This is the VCC_BATT rail of the Intel PXA270 Bulverde processor for example.
In applications using a backup battery, the backup voltage can be either directly connected to the TPS65021 VBACKUP pin if a Li-Ion cell is used, or through a boost converter (for example, the TPS61070) if a single NiMH battery is used. The voltage applied to the VBACKUP pin is fed through a PMOS switch to the VRTC pin. The TPS65021 asserts the RESPWRON signal if VRTC drops below 2.4 V. This, together with 375 mV at 30-mA drop out for the PMOS switch means that the voltage applied at VBACKUP must be greater than 2.775 V for normal system operation.
When the voltage at the VSYSIN pin exceeds 2.65 V, the path from VBACKUP to VRTC is cut, and VRTC is supplied by a similar PMOS switch from the voltage source connected to the VSYSIN input. Typically this is the VDCDC1 converter but can be any voltage source within the appropriate range.
In systems where no backup battery is used, the VBACKUP pin is connected to GND. In this case, a low power LDO is enabled, supplied from VCC and capable of delivering 30 mA to the 3-V output. This LDO is disabled if the voltage at the VSYSIN input exceeds 2.65 V. VRTC is then supplied from the external source connected to this pin as previously described.
Inside TPS65021 there is a switch (Vmax switch) which selects the higher voltage between VCC and VBACKUP. This is used as the supply voltage for some basic functions. The functions powered from the output of the Vmax switch are:
The main 1.5-MHz oscillator, and the I2C interface are only powered from VCC.
The TPS65021 incorporates three synchronous step-down converters operating typically at 1.5-MHz fixed-frequency pulse width modulation (PWM) at moderate to heavy load currents. At light load currents, the converters automatically enter the power save mode (PSM), and operate with pulse frequency modulation (PFM). The VDCDC1 converter is capable of delivering 1.2-A output current, the VDCDC2 converter is capable of delivering 1 A and the VDCDC3 converter is capable of delivering up to 900 mA.
The converter output voltages can be programmed through the DEFDCDC1, DEFDCDC2, and DEFDCDC3 pins. The pins can either be connected to GND, VCC, or to a resistor divider between the output voltage and GND. The VDCDC1 converter defaults to 3 V or 3.3 V depending on the DEFDCDC1 configuration pin. If DEFDCDC1 is tied to ground, the default is 3 V. If it is tied to VCC, the default is 3.3 V. When the DEFDCDC1 pin is connected to a resistor divider, the output voltage can be set in the range of 0.6 V to VINDCDC1 V. See Application Information for more details.
The VDCDC2 converter defaults to 1.8 V or 2.5 V depending on the DEFDCDC2 configuration pin. If DEFDCDC2 is tied to ground, the default is 1.8 V. If it is tied to VCC, the default is 2.5 V. When the DEFDCDC2 pin is connected to a resistor divider, the output voltage can be set in the range of 0.6 V to VINDCDC2 V.
The VDCDC3 converter defaults to 1.3 V or 1.55 V depending on the DEFDCDC3 configuration pin. If DEFDCDC3 is tied to ground the default is 1.3 V. If it is tied to VCC, the default is 1.55 V. When the DEFDCDC3 pin is connected to a resistor divider, the output voltage can be set in the range of 0.6 V to VINDCDC3 V. The core voltage can be reprogrammed through the serial interface in the range of 0.8 V to 1.6 V with a programmable slew rate. The converter is forced into PWM operation whilst any programmed voltage change is underway, whether the voltage is being increased or decreased. The DEFCORE and DEFSLEW registers are used to program the output voltage and slew rate during voltage transitions.
The step-down converter outputs (when enabled) are monitored by power-good (PG) comparators, the outputs of which are available through the serial interface. The outputs of the DC-DC converters can be optionally discharged through on-chip 300-Ω resistors when the DC-DC converters are disabled.
During PWM operation, the converters use a unique fast response voltage mode controller scheme with input voltage feedforward to achieve good line and load regulation allowing the use of small ceramic input and output capacitors. At the beginning of each clock cycle initiated by the clock signal, the P-channel MOSFET switch is turned on. The inductor current ramps up until the comparator trips and the control logic turns off the switch. The current limit comparator also turns off the switch if the current limit of the P-channel switch is exceeded. After the adaptive dead-time used to prevent shoot through current, the N-channel MOSFET rectifier is turned on, and the inductor current ramps down. The next cycle is initiated by the clock signal, again turning off the N-channel rectifier and turning on the P-channel switch.
The three DC-DC converters operate synchronized to each other with the VDCDC1 converter as the master. A 180° phase shift between the VDCDC1 switch turn on and the VDCDC2 and a further 90° shift to the VDCDC3 switch turn on decreases the input RMS current and smaller input capacitors can be used. This is optimized for a typical application where the VDCDC1 converter regulates a Li-Ion battery voltage of 3.7 V to 3.3 V, the VDCDC2 converter from 3.7 V to 2.5 V, and the VDCDC3 converter from 3.7 V to 1.5 V. The phase of the three converters can be changed using the CON_CTRL register.
As the load current decreases, the converters enter the power save mode operation. During PSM, the converters operate in a burst mode (PFM mode) with a frequency between 750 kHz and 1.5 MHz, nominal for one burst cycle. However, the frequency between different burst cycles depends on the actual load current and is typically far less than the switching frequency with a minimum quiescent current to maintain high efficiency.
To optimize the converter efficiency at light load, the average current is monitored and if in PWM mode the inductor current remains below a certain threshold, then PSM is entered. The typical threshold to enter PSM is calculated with Equation 1, Equation 2, and Equation 3.


During the PSM the output voltage is monitored with a comparator, and by maximum skip burst width. As the output voltage falls below the threshold, set to the nominal VO, the P-channel switch turns on and the converter effectively delivers a constant current defined with Equation 4, Equation 5, and Equation 6.


If the load is below the delivered current then the output voltage rises until the same threshold is crossed in the other direction. All switching activity ceases, reducing the quiescent current to a minimum until the output voltage has again dropped below the threshold. The power save mode is exited, and the converter returns to PWM mode if either of the following conditions are met:
These control methods reduce the quiescent current to typically 14 μA per converter, and the switching activity to a minimum, thus achieving the highest converter efficiency. Setting the comparator thresholds at the nominal output voltage at light load current results in a low output voltage ripple. The ripple depends on the comparator delay and the size of the output capacitor. Increasing capacitor values makes the output ripple tend to zero. The PSM is disabled through the I2C interface to force the individual converters to stay in fixed-frequency PWM mode.
Setting bit 3 in register CON-CTRL to 1 enables the low-ripple mode for all of the DC-DC converters if operated in PFM mode. For an output current less than approximately 10 mA, the output voltage ripple in PFM mode is reduced, depending on the actual load current. The lower the actual output current on the converter, the lower the output ripple voltage. For an output current above 10 mA, there is only minor difference in output voltage ripple between PFM mode and low-ripple PFM mode. As this feature also increases switching frequency, it is used to keep the switching frequency above the audible range in PFM mode down to a low output current.
Each of the three converters has an internal soft-start circuit that limits the inrush current during start-up. The soft-start is realized by using a very low current to initially charge the internal compensation capacitor. The soft-start time is typically 750 μs if the output voltage ramps from 5% to 95% of the final target value. If the output is already precharged to some voltage when the converter is enabled, then this time is reduced proportionally. There is a short delay of typically 170 μs between the converter being enabled and switching activity actually starting. This is to allow the converter to bias itself properly, to recognize if the output is precharged, and if so to prevent discharging of the output while the internal soft-start ramp catches up with the output voltage.
The TPS65021 converters offer a low input to output voltage difference while still maintaining operation with the use of the 100% duty cycle mode. In this mode the P-channel switch is constantly turned on. This is particularly useful in battery-powered applications to achieve longest operation time by taking full advantage of the whole battery voltage range. The minimum input voltage required to maintain DC regulation depends on the load current and output voltage. It is calculated in Equation 7.
where
When the VDCDC1, VDCDC2, and VDCDC3 converters are disabled, due to an UVLO, DCDC_EN, or OVERTEMP condition, it is possible to actively pull down the outputs. This feature is disabled per default and is individually enabled through the CON_CTRL2 register in the serial interface. When this feature is enabled, the VDCDC1, VDCDC2, and VDCDC3 outputs are discharged by a 300-Ω (typical) load which is active as long as the converters are disabled.
All three step-down converters and both the LDO1 and LDO2 linear regulators have power-good comparators. Each comparator indicates when the relevant output voltage has dropped 10% below its target value with 5% hysteresis. The outputs of these comparators are available in the PGOODZ register through the serial interface. An interrupt is generated when any voltage rail drops below the 10% threshold. The comparators are disabled when the converters are disabled and the relevant PGOODZ register bits indicate that power is good.
The low-dropout voltage regulators are designed to operate well with low value ceramic input and output capacitors. They operate with input voltages down to 1.5 V. The LDOs offer a maximum dropout voltage of 300 mV at rated output current. Each LDO supports a current limit feature. Both LDOs are enabled by the LDO_EN pin, both LDOs can be disabled or programmed through the serial interface using the REG_CTRL and LDO_CTRL registers. The LDOs also have reverse conduction prevention. This allows the possibility to connect external regulators in parallel in systems with a backup battery. The TPS65021 step-down and LDO voltage regulators automatically power down when the VCC voltage drops below the UVLO threshold or when the junction temperature rises above 160°C.
The undervoltage lockout circuit for the five regulators on the TPS65021 prevents the device from malfunctioning at low-input voltages and from excessive discharge of the battery. It disables the converters and LDOs. The UVLO circuit monitors the VCC pin, the threshold is set internally to 2.35 V with 5% (120 mV) hysteresis. Consider this current if an external RC filter is used at the VCC pin to remove switching noise from the TPS65021 internal analog circuitry supply.
NOTE
When any of the DC-DC converters are running, there is an input current at the VCC pin, which is up to 3 mA when all three converters are running in PWM mode.
The TPS65021 power-up sequencing is designed to be entirely flexible and customer driven. This is achieved by providing separate enable pins for each switch-mode converter, and a common enable signal for the LDOs. The relevant control pins are described in Table 2.
| PIN NAME | INPUT OR OUTPUT | FUNCTION |
|---|---|---|
| DEFDCDC3 | I | Defines the default voltage of the VDCDC3 switching converter. DEFDCDC3 = 0 defaults VDCDC3 to 1.3 V, DEFDCDC3 = VCC defaults VDCDC3 to 1.55 V. |
| DEFDCDC2 | I | Defines the default voltage of the VDCDC2 switching converter. DEFDCDC2 = 0 defaults VDCDC2 to 1.8 V, DEFDCDC2 = VCC defaults VDCDC2 to 2.5 V. |
| DEFDCDC1 | I | Defines the default voltage of the VDCDC1 switching converter. DEFDCDC1 = 0 defaults VDCDC1 to 3 V, DEFDCDC1 = VCC defaults VDCDC1 to 3.3 V. |
| DCDC3_EN | I | Set DCDC3_EN = 0 to disable and DCDC3_EN = 1 to enable the VDCDC3 converter. |
| DCDC2_EN | I | Set DCDC2_EN = 0 to disable and DCDC2_EN = 1 to enable the VDCDC2 converter. |
| DCDC1_EN | I | Set DCDC1_EN = 0 to disable and DCDC1_EN = 1 to enable the VDCDC1 converter. |
| HOT_RESET | I | The HOT_RESET pin generates a reset (RESPWRON) for the processor. HOT_RESET does not alter any TPS65021 settings except the output voltage of VDCDC3. Activating HOT_RESET sets the voltage of VDCDC3 to its default value defined with the DEFDCDC3 pin. HOT_RESET is internally de-bounced by the TPS65021. |
| RESPWRON | O | RESPWRON is held low when power is initially applied to the TPS65021. The VRTC voltage is monitored: RESWPRON is low when VRTC < 2.4 V and remains low for a time defined by the external capacitor at the TRESPWRON pin. RESPWRON can also be forced low by activation of the HOT_RESET pin. |
| TRESPWRON | I | Connect a capacitor here to define the RESET time at the RESPWRON pin. 1 nF typically gives 100 ms. |
The TPS6502x devices are either in the ON or the OFF mode. The OFF mode is entered when the voltage on
VCC is below the UVLO threshold, 2.35 V (typically). Once the voltage at VCC has increased above UVLO, the device enters ON mode. In the ON mode, the DCDCs and LDOs are available for use.
The RESPWRON signal can be used as a global reset for the application. It is an open-drain output. The RESPWRON signal is generated according to the power-good comparator of VRTC, and remains low for tnrespwron seconds after VRTC has risen above 2.52 V (falling threshold is 2.4 V, 5% hysteresis). tnrespwron is set by an external capacitor at the TRESPWRON pin. 1 nF gives typically 100 ms. RESPWRON is also triggered by the HOT_RESET input. This input is internally debounced, with a filter time of typically 30 ms.
The PWRFAIL and LOW_BAT signals are generated by two voltage detectors using the PWRFAIL_SNS and LOWBAT_SNS input signals. Each input signal is compared to a 1-V threshold (falling edge) with 5% (50 mV) hysteresis.
The DCDC3 converter is reset to its default output voltage defined by the DEFDCDC3 input, when HOT_RESET is asserted. Other I2C registers are not affected. Generally, the DCDC3 converter is set to its default voltage with one of these conditions: HOT_RESET active, VRTC lower than its threshold voltage, undervoltage lockout (UVLO) condition, RESPWRON active, both DCDC3-converter AND DCDC1-converter disabled. In addition, the voltage of VDCDC3 changes to 1xxx0, if the VDCDC1 converter is disabled. Where xxx is the state before VDCDC1 was disabled.
These two pins are used to set the default output voltage of the two 200-mA LDOs. The digital value applied to the pins is latched during power up and determines the initial output voltage according to Table 3. The voltage of both LDOs can be changed during operation with the I2C interface as described in the interface description.
| DEFLDO2 | DEFLDO1 | VLDO1 | VLDO2 |
|---|---|---|---|
| 0 | 0 | 1.1 V | 1.3 V |
| 0 | 1 | 1.5 V | 1.3 V |
| 1 | 0 | 2.6 V | 2.8 V |
| 1 | 1 | 3.15 V | 3.3 V |
The INT pin combines the outputs of the PGOOD comparators from each DC-DC converter and LDOs. The INT pin is used as a POWER_OK pin indicating when all enabled supplies are in regulation. If the PGOODZ register is read through the serial interface, any active bits are then blocked from the INT output pin.
Interrupts can be masked using the MASK register; default operation is not to mask any DCDC or LDO interrupts because this provides the POWER_OK function.
The serial interface is compatible with the standard and fast mode I2C specifications, allowing transfers at up to 400 kHz. The interface adds flexibility to the power supply solution, enabling most functions to be programmed to new values depending on the instantaneous application requirements and charger status to be monitored. Register contents remain intact as long as VCC remains above 2 V. The TPS65021 has a 7-bit address: 1001000, other addresses are available upon contact with the factory. Attempting to read data from the register addresses not listed in this section results in FFh being read out.
For normal data transfer, DATA is allowed to change only when CLK is low. Changes when CLK is high are reserved for indicating the start and stop conditions. During data transfer, the data line must remain stable whenever the clock line is high. There is one clock pulse per bit of data. Each data transfer is initiated with a start condition and terminated with a stop condition. When addressed, the TPS65021 device generates an acknowledge bit after the reception of each byte. The master device (microprocessor) must generate an extra clock pulse that is associated with the acknowledge bit. The TPS65021 device must pull down the DATA line during the acknowledge clock pulse so that the DATA line is a stable low during the high period of the acknowledge clock pulse. The DATA line is a stable low during the high period of the acknowledge–related clock pulse. Setup and hold times must be taken into account. During read operations, a master must signal the end of data to the slave by not generating an acknowledge bit on the last byte that was clocked out of the slave. In this case, the slave TPS65021 device must leave the data line high to enable the master to generate the stop condition
Figure 30. Bit Transfer on the Serial Interface
Figure 32. Serial I/F WRITE to TPS65021 Device
Figure 33. Serial I/F READ from TPS65021: Protocol A
Figure 34. Serial I/F READ from TPS65021: Protocol B
| PGOODZ | B7 | B6 | B5 | B4 | B3 | B2 | B1 | B0 |
|---|---|---|---|---|---|---|---|---|
| Bit name and function | PWRFAILZ | LOWBATTZ | PGOODZ VDCDC1 |
PGOODZ VDCDC2 |
PGOODZ VDCDC3 |
PGOODZ LDO2 |
PGOODZ LDO1 |
– |
| Set by signal | PWRFAIL | LOWBATT | PGOODZ VDCDC1 |
PGOODZ VDCDC2 |
PGOODZ VDCDC3 |
PGOODZ LDO2 |
PGOODZ LDO1 |
– |
| Default value loaded | PWRFAILZ | LOWBATTZ | PGOOD VDCDC1 |
PGOOD VDCDC2 |
PGOOD VDCDC3 |
PGOOD LDO2 |
PGOOD LDO1 |
– |
| Read/write | R | R | R | R | R | R | R | R |
| Bit 7 | PWRFAILZ: | |
| 0 = | indicates that the PWRFAIL_SNS input voltage is above the 1-V threshold. | |
| 1 = | indicates that the PWRFAIL_SNS input voltage is below the 1-V threshold. | |
| Bit 6 | LOWBATTZ: | |
| 0 = | indicates that the LOWBATT_SNS input voltage is above the 1-V threshold. | |
| 1 = | indicates that the LOWBATT_SNS input voltage is below the 1-V threshold. | |
| Bit 5 | PGOODZ VDCDC1: | |
| 0 = | indicates that the VDCDC1 converter output voltage is within its nominal range. This bit is zero if the VDCDC1 converter is disabled. | |
| 1 = | indicates that the VDCDC1 converter output voltage is below its target regulation voltage | |
| Bit 4 | PGOODZ VDCDC2: | |
| 0 = | indicates that the VDCDC2 converter output voltage is within its nominal range. This bit is zero if the VDCDC2 converter is disabled. | |
| 1 = | indicates that the VDCDC2 converter output voltage is below its target regulation voltage | |
| Bit 3 | PGOODZ VDCDC3: | |
| 0 = | indicates that the VDCDC3 converter output voltage is within its nominal range. This bit is zero if the VDCDC3 converter is disabled and during a DVM controlled output voltage transition | |
| 1 = | indicates that the VDCDC3 converter output voltage is below its target regulation voltage | |
| Bit 2 | PGOODZ LDO2: | |
| 0 = | indicates that the LDO2 output voltage is within its nominal range. This bit is zero if LDO2 is disabled. | |
| 1 = | indicates that LDO2 output voltage is below its target regulation voltage | |
| Bit 1 | PGOODZ LDO1: | |
| 0 = | indicates that the LDO1 output voltage is within its nominal range. This bit is zero if LDO1 is disabled. | |
| 1 = | indicates that the LDO1 output voltage is below its target regulation voltage | |
| MASK | B7 | B6 | B5 | B4 | B3 | B2 | B1 | B0 |
|---|---|---|---|---|---|---|---|---|
| Bit name and function | MASK PWRFAILZ |
MASK LOWBATTZ |
MASK VDCDC1 |
MASK VDCDC2 |
MASK VDCDC3 |
MASK LDO2 |
MASK LDO1 |
– |
| Default | 1 | 1 | 0 | 0 | 0 | 0 | 0 | 0 |
| Default value loaded | UVLO | UVLO | UVLO | UVLO | UVLO | UVLO | UVLO | – |
| Read/write | R/W | R/W | R/W | R/W | R/W | R/W | R/W | – |
The MASK register can be used to mask particular fault conditions from appearing at the INT pin. MASK<n> = 1 masks PGOODZ<n>.
The REG_CTRL register is used to disable or enable the power supplies through the serial interface. The contents of the register are logically AND’ed with the enable pins to determine the state of the supplies. A UVLO condition resets the REG_CTRL to 0xFF, so the state of the supplies defaults to the state of the enable pin. The REG_CTRL bits are automatically reset to default when the corresponding enable pin is low.
| REG_CTRL | B7 | B6 | B5 | B4 | B3 | B2 | B1 | B0 |
|---|---|---|---|---|---|---|---|---|
| Bit name and function | – | – | VDCDC1 ENABLE | VDCDC2 ENABLE | VDCDC3 ENABLE | LDO2 ENABLE |
LDO1 ENABLE |
– |
| Default | 1 | 1 | 1 | 1 | 1 | 1 | 1 | 1 |
| Set by signal | – | – | DCDC1_ENZ | DCDC2_ENZ | DCDC3_ENZ | LDO_ENZ | LDO_ENZ | – |
| Default value loaded | – | – | UVLO | UVLO | UVLO | UVLO | UVLO | – |
| Read/write | – | – | R/W | R/W | R/W | R/W | R/W | – |
| Bit 5 | VDCDC1 ENABLE: |
| DCDC1 Enable. This bit is logically AND’ed with the state of the DCDC1_EN pin to turn on the DCDC1 converter. Reset to 1 by a UVLO condition, the bit can be written to 0 or 1 through the serial interface. The bit is reset to 1 when the pin DCDC1_EN is pulled to GND, allowing DCDC1 to turn on when DCDC1_EN returns high. | |
| Bit 4 | VDCDC2 ENABLE: |
| DCDC2 Enable. This bit is logically AND’ed with the state of the DCDC2_EN pin to turn on the DCDC2 converter. Reset to 1 by a UVLO condition, the bit can be written to 0 or 1 through the serial interface. The bit is reset to 1 when the pin DCDC2_EN is pulled to GND, allowing DCDC2 to turn on when DCDC2_EN returns high. | |
| Bit 3 | VDCDC3 ENABLE: |
| DCDC3 Enable. This bit is logically AND’ed with the state of the DCDC3_EN pin to turn on the DCDC3 converter. Reset to 1 by a UVLO condition, the bit can be written to 0 or 1 through the serial interface. The bit is reset to 1 when the pin DCDC3_EN is pulled to GND, allowing DCDC3 to turn on when DCDC3_EN returns high. | |
| Bit 2 | LDO2 ENABLE: |
| LDO2 Enable. This bit is logically AND’ed with the state of the LDO2_EN pin to turn on LDO2. Reset to 1 by a UVLO condition, the bit can be written to 0 or 1 the serial interface. The bit is reset to 1 when the pin LDO_EN is pulled to GND, allowing LDO2 to turn on when LDO_EN returns high. | |
| Bit 1 | LDO1 ENABLE: |
| LDO1 Enable. This bit is logically AND’ed with the state of the LDO1_EN pin to turn on LDO1. Reset to 1 by a UVLO condition, the bit can be written to 0 or 1 through the serial interface. The bit is reset to 1 when the pin LDO_EN is pulled to GND, allowing LDO1 to turn on when LDO_EN returns high. |
| CON_CTRL | B7 | B6 | B5 | B4 | B3 | B2 | B1 | B0 |
|---|---|---|---|---|---|---|---|---|
| Bit name and function | DCDC2 PHASE1 |
DCDC2 PHASE0 |
DCDC3 PHASE1 |
DCDC3 PHASE0 |
LOW RIPPLE |
FPWM DCDC2 |
FPWM DCDC1 |
FPWM DCDC3 |
| Default | 1 | 0 | 1 | 1 | 0 | 0 | 0 | 1 |
| Default value loaded | UVLO | UVLO | UVLO | UVLO | UVLO | UVLO | UVLO | UVLO |
| Read/write | R/W | R/W | R/W | R/W | R/W | R/W | R/W | R/W |
The CON_CTRL register is used to force any or all of the converters into forced PWM operation, when low output voltage ripple is vital. It is also used to control the phase shift between the three converters to minimize the input rms current, hence reduce the required input blocking capacitance. The DCDC1 converter is taken as the reference and consequently has a fixed zero phase shift.
| CON_CTRL<7:6> | DCDC2 CONVERTER DELAYED BY |
CON_CTRL<5:4> | DCDC3 CONVERTER DELAYED BY |
|
|---|---|---|---|---|
| 00 | zero | 00 | zero | |
| 01 | 1/4 cycle | 01 | 1/4 cycle | |
| 10 | 1/2 cycle | 10 | 1/2 cycle | |
| 11 | 3/4 cycle | 11 | 3/4 cycle |
| Bit 3 | LOW RIPPLE: | |
| 0 = | PFM mode operation optimized for high efficiency for all converters | |
| 1 = | PFM mode operation optimized for low-output voltage ripple for all converters | |
| Bit 2 | FPWM DCDC2: | |
| 0 = | DCDC2 converter operates in PWM / PFM mode | |
| 1 = | DCDC2 converter is forced into fixed-frequency PWM mode | |
| Bit 1 | FPWM DCDC1: | |
| 0 = | DCDC1 converter operates in PWM / PFM mode | |
| 1 = | DCDC1 converter is forced into fixed-frequency PWM mode | |
| Bit 0 | FPWM DCDC3: | |
| 0 = | DCDC3 converter operates in PWM / PFM mode | |
| 1 = | DCDC3 converter is forced into fixed-frequency PWM mode | |
| CON_CTRL2 | B7 | B6 | B5 | B4 | B3 | B2 | B1 | B0 |
|---|---|---|---|---|---|---|---|---|
| Bit name and function | GO | Core adj allowed |
– | – | – | DCDC2 discharge |
DCDC1 discharge |
DCDC3 discharge |
| Default | 0 | 1 | 0 | 0 | 0 | 0 | 0 | 0 |
| Default value loaded | UVLO + DONE |
UVLO | – | – | – | UVLO | UVLO | UVLO |
| Read/write | R/W | R/W | – | – | – | R/W | R/W | R/W |
The CON_CTRL2 register can be used to take control the inductive converters.
| Bit 7 | GO: | |
| 0 = | no change in the output voltage for the DCDC3 converter | |
| 1 = | the output voltage of the DCDC3 converter is changed to the value defined in DEFCORE with the slew rate defined in DEFSLEW. This bit is automatically cleared when the DVM transition is complete. The transition is considered complete in this case when the desired output voltage code has been reached, not when the VDCDC3 output voltage is actually in regulation at the desired voltage. | |
| Bit 6 | CORE ADJ Allowed: | |
| 0 = | the output voltage is set with the I2C register | |
| 1 = | DEFDCDC3 is either connected to GND or VCC or an external voltage divider. When connected to GND or VCC, VDCDC3 defaults to 1.3 V or 1.55 V respectively at start-up | |
| Bit 2– 0 | 0 = | the output capacitor of the associated converter is not actively discharged when the converter is disabled |
| 1 = | the output capacitor of the associated converter is actively discharged when the converter is disabled. This decreases the fall time of the output voltage at light load | |
| DEFCORE | B7 | B6 | B5 | B4 | B3 | B2 | B1 | B0 |
|---|---|---|---|---|---|---|---|---|
| Bit name and function | – | – | – | CORE4 | CORE3 | CORE2 | CORE1 | CORE0 |
| Default | 0 | 0 | 0 | 1 | DEFDCDC3 | 1 | DEFDCDC3 | 0 |
| Default value loaded | – | – | – | RESET(1) | RESET(1) | RESET(1) | RESET(1) | RESET(1) |
| Read/write | – | – | – | R/W | R/W | R/W | R/W | R/W |
RESET(1): DEFCORE is reset to its default value by one of these events:
| CORE4 | CORE3 | CORE2 | CORE1 | CORE0 | VDCDC3 | CORE4 | CORE3 | CORE2 | CORE1 | CORE0 | VDCDC3 | |
|---|---|---|---|---|---|---|---|---|---|---|---|---|
| 0 | 0 | 0 | 0 | 0 | 0.8 V | 1 | 0 | 0 | 0 | 0 | 1.2 V | |
| 0 | 0 | 0 | 0 | 1 | 0.825 V | 1 | 0 | 0 | 0 | 1 | 1.225 V | |
| 0 | 0 | 0 | 1 | 0 | 0.85 V | 1 | 0 | 0 | 1 | 0 | 1.25 V | |
| 0 | 0 | 0 | 1 | 1 | 0.875 V | 1 | 0 | 0 | 1 | 1 | 1.275 V | |
| 0 | 0 | 1 | 0 | 0 | 0.9 V | 1 | 0 | 1 | 0 | 0 | 1.3 V | |
| 0 | 0 | 1 | 0 | 1 | 0.925 V | 1 | 0 | 1 | 0 | 1 | 1.325 V | |
| 0 | 0 | 1 | 1 | 0 | 0.95 V | 1 | 0 | 1 | 1 | 0 | 1.35 V | |
| 0 | 0 | 1 | 1 | 1 | 0.975 V | 1 | 0 | 1 | 1 | 1 | 1.375 V | |
| 0 | 1 | 0 | 0 | 0 | 1 V | 1 | 1 | 0 | 0 | 0 | 1.4 V | |
| 0 | 1 | 0 | 0 | 1 | 1.025 V | 1 | 1 | 0 | 0 | 1 | 1.425 V | |
| 0 | 1 | 0 | 1 | 0 | 1.05 V | 1 | 1 | 0 | 1 | 0 | 1.45 V | |
| 0 | 1 | 0 | 1 | 1 | 1.075 V | 1 | 1 | 0 | 1 | 1 | 1.475 V | |
| 0 | 1 | 1 | 0 | 0 | 1.1 V | 1 | 1 | 1 | 0 | 0 | 1.5 V | |
| 0 | 1 | 1 | 0 | 1 | 1.125 V | 1 | 1 | 1 | 0 | 1 | 1.525 V | |
| 0 | 1 | 1 | 1 | 0 | 1.15 V | 1 | 1 | 1 | 1 | 0 | 1.55 V | |
| 0 | 1 | 1 | 1 | 1 | 1.175 V | 1 | 1 | 1 | 1 | 1 | 1.6 V |
| DEFSLEW | B7 | B6 | B5 | B4 | B3 | B2 | B1 | B0 |
|---|---|---|---|---|---|---|---|---|
| Bit name and function | – | – | – | – | – | SLEW2 | SLEW1 | SLEW0 |
| Default | – | – | – | – | – | 1 | 1 | 0 |
| Default value loaded | – | – | – | – | – | UVLO | UVLO | UVLO |
| Read/write | – | – | – | – | – | R/W | R/W | R/W |
| SLEW2 | SLEW1 | SLEW0 | VDCDC3 SLEW RATE |
|---|---|---|---|
| 0 | 0 | 0 | 0.15 mV/μs |
| 0 | 0 | 1 | 0.3 mV/μs |
| 0 | 1 | 0 | 0.6 mV/μs |
| 0 | 1 | 1 | 1.2 mV/μs |
| 1 | 0 | 0 | 2.4 mV/μs |
| 1 | 0 | 1 | 4.8 mV/μs |
| 1 | 1 | 0 | 9.6 mV/μs |
| 1 | 1 | 1 | Immediate |
| LDO_CTRL | B7 | B6 | B5 | B4 | B3 | B2 | B1 | B0 |
|---|---|---|---|---|---|---|---|---|
| Bit name and function | – | LDO2_2 | LDO2_1 | LDO2_0 | – | LDO1_2 | LDO1_1 | LDO1_0 |
| Default | – | DEFLDOx | DEFLDOx | DEFLDOx | – | DEFLDOx | DEFLDOx | DEFLDOx |
| Default value loaded | – | UVLO | UVLO | UVLO | – | UVLO | UVLO | UVLO |
| Read/write | – | R/W | R/W | R/W | – | R/W | R/W | R/W |
The LDO_CTRL registers can be used to set the output voltage of LDO1 and LDO2.
The default voltage is set with DEFLDO1 and DEFLDO2 pins as described in Table 16.
| LDO1_2 | LDO1_1 | LDO1_0 | LDO1 OUTPUT VOLTAGE |
LDO2_2 | LDO2_1 | LDO2_0 | LDO2 OUTPUT VOLTAGE |
|
|---|---|---|---|---|---|---|---|---|
| 0 | 0 | 0 | 1 V | 0 | 0 | 0 | 1.05 V | |
| 0 | 0 | 1 | 1.1 V | 0 | 0 | 1 | 1.2 V | |
| 0 | 1 | 0 | 1.35 V | 0 | 1 | 0 | 1.3 V | |
| 0 | 1 | 1 | 1.5 V | 0 | 1 | 1 | 1.8 V | |
| 1 | 0 | 0 | 2.2 V | 1 | 0 | 0 | 2.5 V | |
| 1 | 0 | 1 | 2.6 V | 1 | 0 | 1 | 2.8 V | |
| 1 | 1 | 0 | 2.85 V | 1 | 1 | 0 | 3 V | |
| 1 | 1 | 1 | 3.15 V | 1 | 1 | 1 | 3.3 V |