SCLS746A February 2014 – October 2014 SN74GTL2014
PRODUCTION DATA.
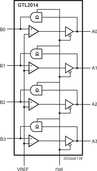
The SN74GTL2014 is a 4-channel translator to interface between 3.3-V LVTTL chip set I/O and Xeon processor GTL–/GTL/GTL+ I/O.
The SN74GTL2014 integrates ESD protection cells on all terminals and is available in a TSSOP package (5.0 mm × 4.4 mm). The device is characterized over the free air temperature range of –40°C to 85°C.
| PART NUMBER | PACKAGE | BODY SIZE (NOM) |
|---|---|---|
| SN74GTL2014 | TSSOP (14) | 5.00 mm × 4.40 mm |

Changes from * Revision (February 2014) to A Revision