SLVS695D June 2007 – January 2015 TLC5916 , TLC5917
PRODUCTION DATA.
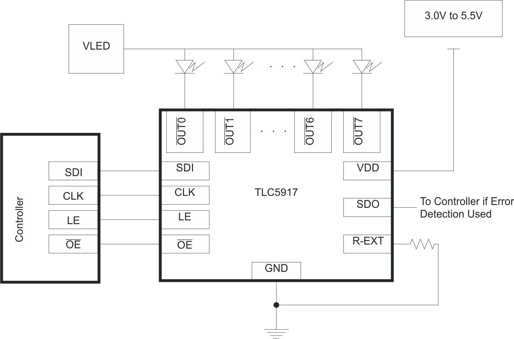
The TLC591x Constant-Current LED Sink Drivers are designed to work alone or cascaded. Since each output is independently controlled, they can be programmed to be on or off by the user. The high LED voltage (VLED) allows for the use of a single LED per output or multiple LEDs on a single string. With independently controlled outputs supplied with constant current, the LEDs can be combined in parallel to create higher currents on a single string. The constant sink current for all channels is set through a single external resistor. This allows different LED drivers in the same application to sink various currents which provides optional implementation of multi-color LEDs. An additional advantage of the independent outputs is the ability to leave unused channels floating. The flexibility of the TLC591x LED drivers is ideal for applications such as (but not limited to): 7-segment displays, scrolling single color displays, gaming machines, white goods, video billboards and video panels.
| PART NUMBER | PACKAGE | BODY SIZE (NOM) |
|---|---|---|
| TLC5916 | SOIC (16) | 9.90 mm × 3.91 mm |
| PDIP (16) | 19.30 mm × 6.35 mm | |
| TSSOP (16) | 5.00 mm × 4.40 mm | |
| TLC5917 | SOIC (16) | 9.90 mm × 3.91 mm |
| PDIP (16) | 19.30 mm × 6.35 mm | |
| TSSOP (16) | 5.00 mm × 4.40 mm |
