SLVSBE9E April 2012 – June 2015 TPS27081A
PRODUCTION DATA.
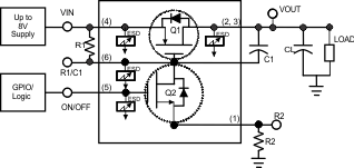
The TPS27081A device is a high-side load switch that integrates a Power PFET and a Control NFET in a tiny package.
The TPS27081A features industry-standard ESD protection on all pins providing better ESD compatibility with other onboard components.
The TPS27081A level shifts ON/OFF logic signal to VIN levels and supports as low as 1-V CPU or MCU logic to control higher voltage power supplies without requiring an external level-shifter.
Switching a large value output capacitor CL through a fast ON/OFF logic signal may result in an excessive inrush current. To control the load inrush current, connect a resistor R2 and add an external capacitor C1 as shown in the Simplified Schematic. To configure the TPS27081A to achieve a specific slew rate, refer to the Application and Implementation section.
A single pullup resistor R1 is required in standby power switch applications. In such applications connect the R2 pin of the TPS27081A to the system ground when inrush current control is not required.
| PART NUMBER | PACKAGE | BODY SIZE (NOM) |
|---|---|---|
| TPS27081A | SOT (6) | 2.90 mm × 1.60 mm |
