SLVS441D December 2002 – December 2014 TPS61042
PRODUCTION DATA.
Refer to the PDF data sheet for device specific package drawings
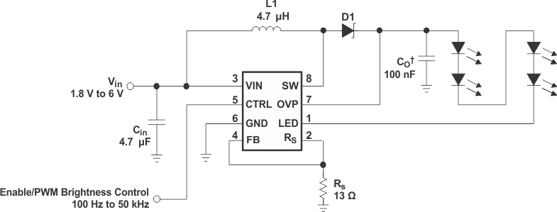
The TPS61042 is a high frequency boost converter with constant current output that drives white LEDs or similar. The LED current is set with the external sense resistor (RS) and is directly regulated by the feedback pin (FB) that regulates the voltage across the sense resistor RS to 252 mV (typ). To control LED brightness, the LED current can be pulsed by applying a PWM (pulse width modulated) signal with a frequency range of 100 Hz to 50 kHz to the control pin (CTRL). To allow higher flexibility, the device can be configured where the brightness can be controlled by an analog signal as well, as described in the application information section. To avoid possible leakage currents through the LEDs during shutdown, the control pin (CTRL) disables the device and disconnects the LEDs from ground. For maximum safety during operation, the output has integrated overvoltage protection that prevents damage to the device in case of a high impedance output (e.g. faulty LED).
| PART NUMBER | PACKAGE | BODY SIZE (NOM) |
|---|---|---|
| TPS61042 | SON (8) | 3.00 mm × 3.00 mm |
