ZHCSFU8B May 2016 – December 2021 ADC32RF80 , ADC32RF83
PRODUCTION DATA
The ADC32RF8x provides a sophisticated on-chip, digital down converter (DDC) block that can be controlled through SPI register settings and the general-purpose input/output (GPIO) pins. The DDC block supports two basic operating modes: receiver (RX) mode with single- or dual-band DDC and wide-bandwidth observation receiver mode.
Note that the ADC32RF80 and ADC32RF83 are identical devices except the fact that the ADC32RF83 offers only single-band DDC option whereas the ADC32RF80 offers both single-band and dual-band DDC options, as shown in Table 8-3.
| DDC OPTION | AVAILABILITY IN DEVICE |
|---|---|
| Wide-band DDC | ADC32RF80, ADC32RF83 |
| Single-band DDC | ADC32RF80, ADC32RF83 |
| Dual-band DDC | ADC32RF80 only |
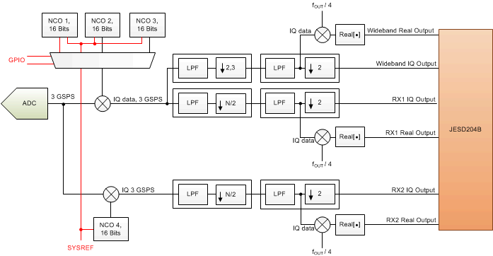
Each ADC channel is followed by two DDC chains consisting of the digital filter along with a complex digital mixer with a 16-bit numerically-controlled oscillator (NCO), as shown in Figure 8-14. The NCOs allow accurate frequency tuning within the Nyquist zone prior to the digital filtering. One DDC chain is intended for supporting a dual-band DDC configuration in receiver mode and the second DDC chain supports the wide-bandwidth output option for the observation configuration. At any given time, either the single-band DDC, the dual-band DDC, or the wideband DDC can be enabled. Furthermore, three different NCO frequencies can be selected on that path and are quickly switched using the SPI or the GPIO pins to enable wide-bandwidth observation in a multi-band application.

Additionally, the decimation filter block provides the option to convert the complex output back to real format at twice the decimated, complex output rate. The filter response with a real output is identical to a complex output. The band is centered in the middle of the Nyquist zone (mixed with fOUT / 4) based on a final output data rate of fOUT.