SLUS891B February 2010 – November 2014
PRODUCTION DATA.
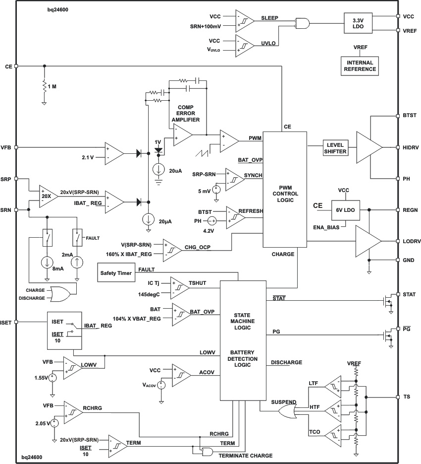
The bq24600 is a highly integrated Li-ion or Li-polymer switch-mode battery charge controller.

The bq24600 uses a high-accuracy voltage band gap and regulator for the high-accuracy charging voltage. The charge voltage is programmed via a resistor divider from the battery to ground, with the midpoint tied to the VFB pin. The voltage at the VFB pin is regulated to 2.1 V, giving the following equation for the regulation voltage:

where R2 is connected from VFB to the battery and R1 is connected from VFB to GND.
The ISET input sets the maximum charging current. Battery current is sensed by resistor RSR connected between SRP and SRN. The full-scale differential voltage between SRP and SRN is 100 mV. Thus, for a 10-mΩ sense resistor, the maximum charging current is 10 A. The equation for charge current is:

VISET, The input voltage range of ISET is between 0 and 2 V. The SRP and SRN pins are used to sense voltage across RSR with default value of 10 mΩ. However, resistors of other values can also be used. A larger sense resistor gives a larger sense voltage and a higher regulation accuracy, but at the expense of higher conduction loss.
On power up, if the battery voltage is below the VLOWV threshold, the bq24600 applies the precharge current to the battery. This feature is intended to revive deeply discharged cells. If the VLOWV threshold is not reached within 30 minutes of initiating precharge, the charger turns off and a FAULT is indicated on the status pins.
The precharge current is fixed 1/10th of the programmed charge current, which is determined by the voltage on the ISET pin according to Equation 3:

The minimum precharge current is clamped to be around 125 mA with default 10-mΩ sensing resistor.
Figure 5. Typical Charging Profile
The bq24600 monitors the charging current during the voltage regulation phase. Termination is detected while the voltage on the VFB pin is higher than the VRECH threshold AND the charge current is less than the ITERM threshold, which is fixed at 1/10th of the programmed charge current, as calculated in Equation 4:

As a safety backup, the bq24600 also provides an internal 5-hour safety timer for fast charge.
A new charge cycle is initiated and safety timer is reset when one of the following conditions occurs:
The bq24600 uses a SLEEP comparator to determine the source of power on the VCC pin, because VCC can be supplied either from the battery or the adapter. If the VCC voltage is greater than the SRN voltage, bq24600 exits the SLEEP mode. If all other conditions are met for charging, bq24600 then attempts to charge the battery (see Enable and Disable Charging). If the SRN voltage is greater than VCC, bq24600 enters a low-quiescent-current (<15 μA) SLEEP mode to minimize current drain from the battery.
If VCC is below the UVLO threshold, the device is disabled.
The following conditions must be valid before charge is enabled:
One of the following conditions stops on-going charging:
The charger automatically soft-starts the charger regulation current every time the charger goes into fast-charge to ensure there is no overshoot or stress on the output capacitors or the power converter. The soft-start consists of stepping up the charge regulation current in eight evenly divided steps up to the programmed charge current. Each step lasts around 1.6 ms, for a typical rise time of 12.8 ms. No external components are needed for this function.
If the SRP-SRN voltage decreases below 5 mV (the charger is also forced into non-synchronous mode when the average SRP-SRN voltage is lower than 1.25 mV), the low side FET is turned off for the remainder of the switching cycle to prevent negative inductor current. During DCM, the low-side FET only turns on for around 80 ns when the bootstrap capacitor voltage drops below 4.2 V to provide refresh charge for the bootstrap capacitor. This is important to prevent negative inductor current from causing a boost effect in which the input voltage increases as power is transferred from the battery to the input capacitors and leads to an overvoltage stress on the VCC node, potentially causing damage to the system.
ACOV provides protection to prevent system damage due to high input voltage. Once the adapter voltage reaches the ACOV threshold, charge is disabled and the system is switched to battery instead of adapter.
The system must have a minimum VCC voltage to allow proper operation. This VCC voltage could come from either input adapter or battery, if a conduction path exists from the battery to VCC through the high-side NMOS body diode. When VCC is below the UVLO threshold, all circuits in the IC are disabled.
The converter does not allow the high-side FET to turn on until the BAT voltage goes below 102% of the regulation voltage. This allows one-cycle response to an overvoltage condition, such as occurs when the load is removed or the battery is disconnected. An 8-mA current sink from SRP/SRN to GND is on only during charge and allows discharging the stored output-inductor energy that is transferred to the output capacitors.
The charger has secondary cycle-to-cycle overcurrent protection. It monitors the charge current and prevents the current from exceeding 160% of the programmed charge current. The high-side gate drive turns off when the overcurrent is detected, and automatically resumes when the current falls below the overcurrent threshold.
The QFN package has low thermal impedance, which provides good thermal conduction from the silicon to the ambient, to keep junctions temperatures low. As an added level of protection, the charger converter turns off and self-protects whenever the junction temperature exceeds the TSHUT threshold of 145°C. The charger stays off until the junction temperature falls below 130°C, then the charger soft-starts again if all other enable charge conditions are valid. Thermal shutdown also suspends the safety timer.
The controller continuously monitors battery temperature by measuring the voltage between the TS pin and GND. A negative temperature-coefficient thermistor (NTC) and an external voltage divider typically develop this voltage. The controller compares this voltage against its internal thresholds to determine if charging is allowed. To initiate a charge cycle, the battery temperature must be within the VLTF to VHTF thresholds. If battery temperature is outside of this range, the controller suspends charge and the safety timer and waits until the battery temperature is within the VLTF to VHTF range. During the charge cycle, the battery temperature must be within the VLTF to VTCO thresholds. If battery temperature is outside of this range, the controller suspends charge and the safety timer and waits until the battery temperature is within the VLTF to VHTF range. The controller suspends charge by turning off the PWM charge FETs. Figure 6 summarizes the operation.
Figure 6. TS Pin, Thermistor Sense Thresholds
Assuming a 103AT NTC thermistor on the battery pack as shown in Figure 11, the value RT1 and RT2 can be determined by using Equation 5 and Equation 6:

For example, a 103AT NTC thermestor is used to monitor the battery pack temperature. Select TCOLD = 0ºC and TCUT_OFF = 45ºC. Then we get RT2 = 430 kΩ, RT1 = 9.311 Ω. A small RC filter is suggested to use for system-level ESD protection.
Figure 7. TS Resistor Network
The bq24600 provides a recovery method to deal with timer fault conditions. The following summarizes this method:
The open-drain PG (power-good) output indicates whether the VCC voltage is valid or not. The open-drain FET turns on whenever bq24600 has a valid VCC input (not in UVLO or ACOV or SLEEP mode). The PG pin can be used to drive an LED or communicate to the host processor. It can also be used to drive ACFET and BATFET.
The CE digital input is used to disable or enable the charge process. A high-level signal on this pin enables charge, provided all the other conditions for charge are met (see Enabling and Disabling Charge). A high-to-low transition on this pin also resets all timers and fault conditions. There is an internal 1-MΩ pulldown resistor on the CE pin, so if CE is floated the charge does not turn on.
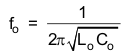
The bq24600 provides internal loop compensation. With this scheme, best stability occurs when the LC resonant frequency, fo, is approximately 17 kHz–25 kHz for the bq24600, per Equation 7:

Table 1 provides a summary of typical LC components for various charge currents.
| Charge Current | 2 A | 4 A | 6 A | 8 A | 10 A |
|---|---|---|---|---|---|
| Output inductor LO | 3.3 μH | 3.3 μH | 2.2 μH | 1.5 μH | 1.5 μH |
| Output capacitor CO | 20 μF | 20 μF | 30 μF | 40 μF | 40 μF |
| Sense resistor | 10 mΩ | 10 mΩ | 10 mΩ | 10 mΩ | 10 mΩ |
The open-drain STAT outputs indicate various charger operations as shown in Table 2. These status pins can be used to drive LEDs or communicate with the host processor. Note that OFF indicates that the open-drain transistor is turned off.
| CHARGE STATE | STAT |
|---|---|
| Charge in progress | ON |
| Charge complete (PG = LOW) | OFF |
| Sleep mode (PG = HIGH) | OFF |
| Charge suspend, timer fault, input overvoltage, battery absent | BLINK (0.5 Hz) |
For applications with removable battery packs, bq24600 provides a battery-absent detection scheme to reliably detect insertion or removal of battery packs. CE must be HIGH to enable the battery-detection function.
Figure 8. Battery Detection Flowchart
Once the device has powered up, an 8-mA discharge current is applied to the SRN terminal. If the battery voltage falls below the LOWV threshold within 1 second, the discharge source is turned off, and the charger is turned on at low charge current (125 mA). If the battery voltage rises above the recharge threshold within 500 ms, no battery is present and the cycle restarts. If either the 500-ms or 1-second timer times out before the respective thresholds are hit, a battery is detected and a charge cycle is initiated.
Figure 9. Battery-Detect Timing Diagram
Care must be taken that the total output capacitance at the battery node is not so large that the discharge current source cannot pull the voltage below the LOWV threshold during the 1-second discharge time. The maximum output capacitance can be calculated as shown in Equation 8.

Where CMAX is the maximum output capacitance, IDISCH is the discharge current, tDISCH is the discharge time, and R2 and R1 are the voltage feedback resistors from the battery to the VFB pin. The 0.5 factor is the difference between the RECHARGE and the LOWV thresholds at the VFB pin.
For a 3-cell Li+ charger with R2 = 500 kΩ, R1 = 100kΩ (giving 12.6 V for voltage regulation), IDISCH = 8 mA,
tDISCH = 1 second,

Based on these calculations, no more than 2.7 mF should be allowed on the battery node for proper operation of the battery-detection circuit.
The synchronous buck PWM converter uses a fixed-frequency voltage mode with a feed-forward control scheme. A type-III compensation network allows using ceramic capacitors at the output of the converter. The compensation input stage is connected internally between the feedback output (FBO) and the error amplifier input (EAI). The feedback compensation stage is connected between the error amplifier input (EAI) and error amplifier output (EAO). The LC output filter is selected to give a resonant frequency of 17 kHz–25 kHz for the bq24600, where the resonant frequency, fo, is given by Equation 10:

An internal sawtooth ramp is compared to the internal EAO error control signal to vary the duty-cycle of the converter. The ramp height is 7% of the input adapter voltage, making it always directly proportional to the input adapter voltage. This cancels out any loop gain variation due to a change in input voltage, and simplifies the loop compensation. The ramp is offset by 300 mV in order to allow zero-percent duty cycle when the EAO signal is below the ramp. The EAO signal is also allowed to exceed the sawtooth ramp signal in order to get a 100% duty-cycle PWM request. Internal gate-drive logic allows achieving 99.5% duty cycle while ensuring the N-channel upper device always has enough voltage to stay fully on. If the BTST pin to PH pin voltage falls below 4.2 V for more than 3 cycles, then the high-side n-channel power MOSFET is turned off and the low-side n-channel power MOSFET is turned on to pull the PH node down and recharge the BTST capacitor. Then the high-side driver returns to 100% duty-cycle operation until the (BTST–PH) voltage is detected to fall low again due to leakage current discharging the BTST capacitor below 4.2 V, and the reset pulse is reissued.
The fixed-frequency oscillator keeps tight control of the switching frequency under all conditions of input voltage, battery voltage, charge current, and temperature, simplifying output filter design and keeping it out of the audible noise region.
The charger operates in synchronous mode when the SRP-SRN voltage is above 5 mV (0.5-A inductor current for a 10-mΩ sense resistor). During synchronous mode, the internal gate-drive logic ensures there is break-before-make complementary switching to prevent shoot-through currents. During the 30-ns dead time where both FETs are off, the body-diode of the low-side power MOSFET conducts the inductor current. Having the low-side FET turn on keeps the power dissipation low, and allows safely charging at high currents. During synchronous mode, the inductor current is always flowing and the converter operates in continuous-conduction mode (CCM), creating a fixed two-pole system.
The charger operates in non-synchronous mode when the SRP-SRN voltage is below 5 mV (0.5-A inductor current for a 10-mΩ sense resistor). The charger is forced into non-synchronous mode when battery voltage is lower than 2 V or when the average SRP-SRN voltage is lower than 1.25 mV.
During non-synchronous operation, the body diode of the low-side MOSFET can conduct the positive inductor current after the high-side n-channel power MOSFET turns off. When the load current decreases and the inductor current drops to zero, the body diode is naturally turned off and the inductor current becomes discontinuous. This mode is called discontinuous-conduction mode (DCM). During DCM, the low-side n-channel power MOSFET turns on for around 80 ns when the bootstrap capacitor voltage drops below 4.2 V; then the low-side power MOSFET turns off and stays off until the beginning of the next cycle, where the high-side power MOSFET is turned on again. The 80-ns low-side MOSFET on-time is required to ensure the bootstrap capacitor is always recharged and able to keep the high-side power MOSFET on during the next cycle. This is important for battery chargers, where unlike regular dc-dc converters, there is a battery load that maintains a voltage and can both source and sink current. The 80-ns low-side pulse pulls the PH node (connection between high and low-side MOSFETs) down, allowing the bootstrap capacitor to recharge up to the REGN LDO value. After the 80 ns, the low-side MOSFET is kept off to prevent negative inductor current from occurring.
At very low currents during non-synchronous operation, there may be a small amount of negative inductor current during the 80-ns recharge pulse. The charge should be low enough to be absorbed by the input capacitance. Whenever the converter goes into zero-percent duty cycle, the high-side MOSFET does not turn on, and the low-side MOSFET does not turn on (only 80-ns recharge pulse) either, and there is almost no discharge from the battery.
During the DCM mode, the loop response automatically changes and has a single-pole system at which the pole is proportional to the load current, because the converter does not sink current, and only the load provides a current sink. This means at very low currents the loop response is slower, as there is less sinking current available to discharge the output voltage.
Figure 10. Operational Flowchart for bq24600