ZHCSCI8 May 2014
PRODUCTION DATA.
WPC-based wireless power systems consist of a charging pad (primary, transmitter) and the secondary-side equipment (receiver). There are coils placed in the charging pad and secondary equipment, which magnetically couple to each other when the receiver is placed on the transmitter. Power is transferred from the primary to the secondary by transformer action between the coils. The receiver can achieve control over the amount of power transferred by requesting the transmitter to change the field strength by changing the frequency, or duty cycle, or voltage rail energizing the primary coil.
The receiver equipment communicates with the primary by modulating the load seen by the primary. This load modulation results in a change in the primary coil current or primary coil voltage, or both, which is measured and demodulated by the transmitter.
A WPC system communication is digital — packets are transferred from the secondary to the primary. Differential bi-phase encoding is used for the packets. The bit rate is 2 kb/s. Various types of communication packets are defined. These include identification and authentication packets, error packets, control packets, power usage packets, and end power transfer packets, among others.
Figure 7. Dual Mode Wireless Power System Indicating the Functional Integration of the bq5102x Family
The bq5102x device integrates fully-compliant WPC v1.1 communication protocol in order to streamline the wireless power receiver designs (no extra software development required). Other unique algorithms such as Dynamic Rectifier Control are integrated to provide best-in-class system efficiency while keeping the smallest solution size of the industry.
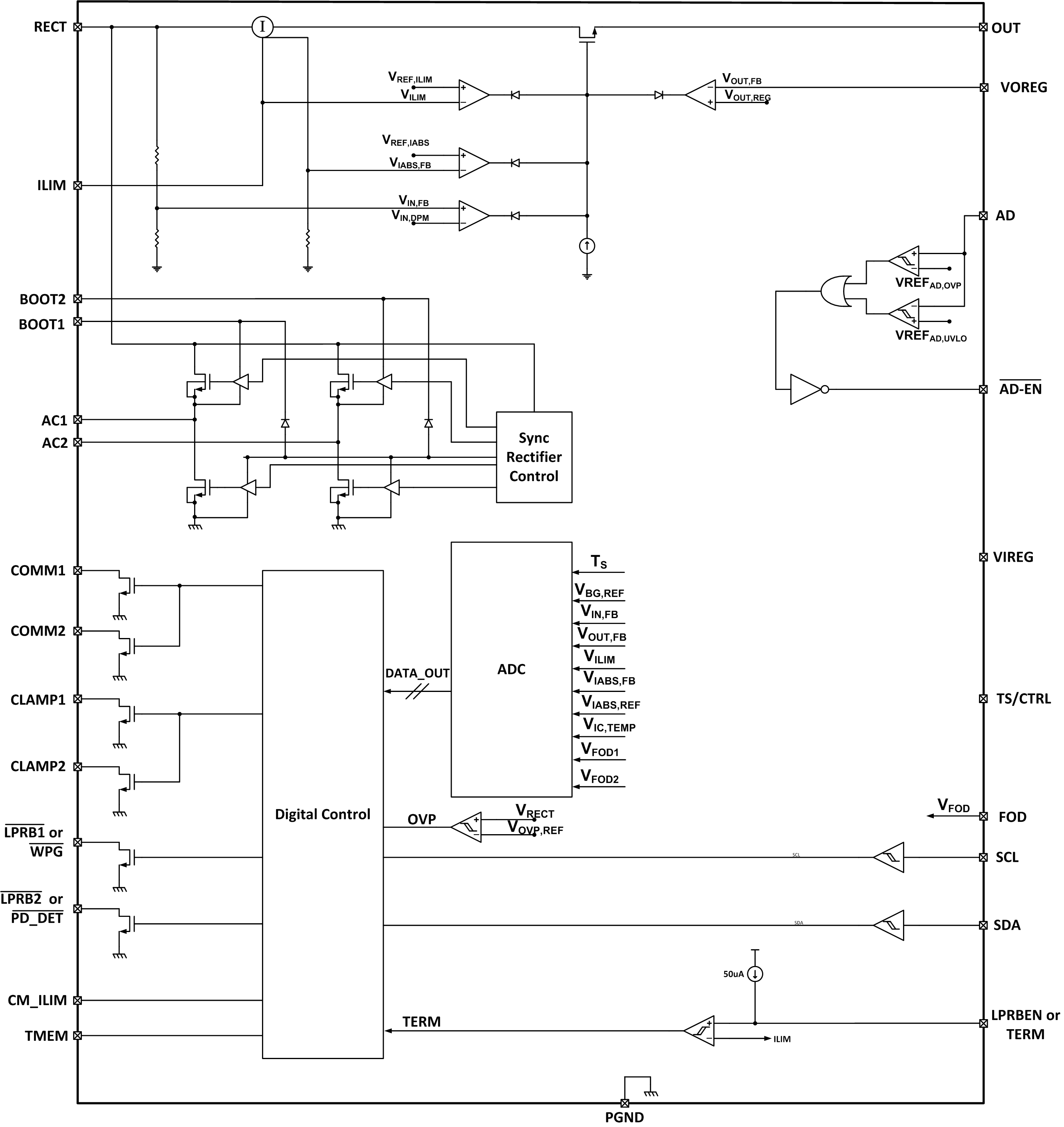
As a WPC system, when the receiver (shown in Figure 7) is placed on the charging pad, the secondary coil couples to the magnetic flux generated by the coil in the transmitter, which consequently induces a voltage in the secondary coil. The internal synchronous rectifier feeds this voltage to the RECT pin, which in turn feeds the LDO which feeds the output.
The bq5102x device identifies itself to the primary using the COMMx pins, switching on and off the COMM FETs, and hence switching in and out COMM capacitors. If the authentication is successful, the primary remains powered-up. The bq5102x device measures the voltage at the RECT pin, calculates the difference between the actual voltage and the desired voltage VRECT(REG), and sends back error packets to the transmitter. This process goes on until the input voltage settles at VRECT(REG) MAX. During a load change, the dynamic rectifier algorithm sets the targets specified by targets between VRECT(REG) MAX and VRECT(REG) MIN shown in Table 1. This algorithm enhances the transient response of the power supply while still allowing for very high efficiency at high loads.
After the voltage at the RECT pin is at the desired value, an internal pass FET (LDO) is enabled. The voltage control loop ensures that the output voltage is maintained at VOUT(REG), powering the downstream charger. The bq5102x device meanwhile continues to monitor the RECT voltage, and keeps sending control error packets (CEP) to the primary on average every 250 ms. If a large transient occurs, the feedback to the primary speeds up to 32-ms communication periods to converge on an operating point in less time.

The Dynamic Rectifier Control algorithm offers the end-system designer optimal transient response for a given maximum output current setting. This is achieved by providing enough voltage headroom across the internal regulator (LDO) at light loads in order to maintain regulation during a load transient. The WPC system has a relatively slow global feedback loop where it can take up to 150 ms to converge on a new rectifier voltage target. Therefore, a transient response is dependent on the loosely coupled transformer's output impedance profile. The Dynamic Rectifier Control allows for a 1.5-V change in rectified voltage before the transient response is observed at the output of the internal regulator (output of the bq5102x device). A 1-A application allows up to a 2-Ω output impedance. The Dynamic Rectifier Control behavior is illustrated in Figure 12.
The Dynamic Power Scaling feature allows for the loss characteristics of the bq5102x device to be scaled based on the maximum expected output power in the end application. This effectively optimizes the efficiency for each application. This feature is achieved by scaling the loss of the internal LDO based on a percentage of the maximum output current. Note that the maximum output current is set by the KILIM term and the RILIM resistance (where RILIM = KILIM / IILIM). The flow diagram in Figure 12 shows how the rectifier is dynamically controlled (Dynamic Rectifier Control) based on a fixed percentage of the IILIM setting. Table 1 summarizes how the rectifier behavior is dynamically adjusted based on two different RILIM settings. Table 1 shows IMAX, which is typically lower than IILIM (about 20% lower). See section RILIM Calculations about setting the ILIM resistor for more details.
| Output Current Percentage | RILIM = 1400 Ω IMAX = 0.5 A |
RILIM = 700 Ω IMAX = 1.0 A |
VRECT |
|---|---|---|---|
| 0 to 10% | 0 to 0.05 A | 0 to 0.1 A | VOUT + 2.0 |
| 10 to 20% | 0.05 to 0.1 A | 0.1 to 0.2 A | VOUT + 1.68 |
| 20 to 40% | 0.1 to 0.2 A | 0.2 to 0.4 A | VOUT + 0.56 |
| > 40% | > 0.2 A | > 0.4 A | VOUT + 0.12 |
Table 1 shows the shift in the Dynamic Rectifier Control behavior based on the two different RILIM settings. With the rectifier voltage (VRECT) as the input to the internal LDO, this adjustment in the Dynamic Rectifier Control thresholds dynamically adjusts the power dissipation across the LDO where,

Figure 21 shows how the system efficiency is improved due to the Dynamic Power Scaling feature. Note that this feature balances efficiency with optimal system transient response.
The bq5102x device allows the designer to set the output voltage by setting a feedback resistor divider network from the OUT pin to the VO_REG pin, as seen in Figure 8. The resistor divider network should be chosen so that the voltage at the VO_REG pin is 0.5 V at the desired output voltage. For the device bq51021 which has I2C enabled, this applies to the default I2C code for VO_REG shown in I2C register in Figure 8.
Figure 8. VO_REG Network
Choose the desired output voltage VOUT and R6:


The bq5102x device includes a means of providing hardware overcurrent protection (IILIM) through an analog current regulation loop. The hardware current limit provides an extra level of safety by clamping the maximum allowable output current (for example, current compliance). The RILIM resistor size also sets the thresholds for the dynamic rectifier levels providing efficiency tuning per each application’s maximum system current. The calculation for the total RILIM resistance is as follows:
RILIM allows for the ILIM pin to reach 1.2 V at an output current equal to IILIM. When choosing RILIM, two options are possible.
If the user's application requires an output current equal to or greater than the external IILIM that the circuit is designed for (input current limit on the charger where the receiver device is tied higher than the external IILIM), ensure that the downstream charger is capable of regulating the voltage of the input into which the receiver device output is tied to by lowering the amount of current being drawn. This ensures that the receiver output does not drop to 0. Such behavior is referred to as VIN DPM in TI chargers. Unless such behavior is enabled on the charger, the charger will pull the output of the receiver device to ground when the receiver device enters current regulation. If the user's applications are designed to extract less than the IILIM (1-A maximum), typical designs should leave a design margin of at least 10%, so that the voltage at ILIM pin reaches 1.2 V when 10% more than maximum current is drawn from the output. Such a design would have input current limit on the charger lower than the external ILIM of the receiver device. In both cases, the charger must be capable of regulating the current drawn from the device to allow the output voltage to stay at a reasonable value. This same behavior is also necessary during the WPC communication. The following calculations show how such a design is achieved:
where
When referring to the application diagram shown in Typical Applications, RILIM is the sum of the R1 and RFOD resistance (that is, the total resistance from the ILIM pin to GND). RFOD is chosen according to the application. The tool for calculating RFOD can be obtained by contacting your TI representative. Use RFOD to allow the receiver implementation to comply with WPC v1.1 requirements related to received power accuracy. For the device bq51021 which has I2C enabled, this applies to the default I2C code for IO_REG (100%) shown in I2C register in Figure 8.
The bq5102x device can also help manage the multiplexing of adapter power to the output and can turn off the TX when the adapter is plugged in and is above the VAD-EN. After the adapter is plugged in and the output turns off, the RX device sends an EOC to the TX. In this case, the AD_EN pins are then pulled to approximately 4 V below AD, which allows the device turn on the back-to-back PMOS connected between AD and OUT (Figure 28).
Both the AD and AD-EN pins are rated at 30 V, while the OUT pin is rated at 20 V. It must also be noted that it is required to connect a back-to-back PMOS between AD and OUT so that voltage is blocked in both directions. Also, when AD mode is enabled, no load can be pulled from the RECT pin as this could cause an internal device overvoltage in the bq5102x device.
For the device bq51021, the wired power will always take priority over wireless power, and thus when the adapter is plugged in, the device will first send an EPT to the TX and then will send allow for up to 30 ms after disabling the output allowing the WPG to go high impedance. It will then allow the wired power to be delivered to the output by pulling the AD_EN below the AD pin to allow the adapter power to be passed on the output.
For the device bq51020, the EN1 and EN2 pins will determine the preference of wired or wireless power. Table 2 shows the EN1 and EN2 state and the corresponding device selection.
| EN1 | EN2 | Adapter Insert | AD_EN | EPT Message | Preference |
|---|---|---|---|---|---|
| 0 | 0 | 5 V | VAD – 4 V | EPT 0x00 | Wired preference |
| 0 | 1 | 5 V | VOUT / VAD | No EPT | Wireless preference |
| 1 | 0 | 5 V | VAD – 4 V | EPT 0x00 | Wired preference(1) |
| 1 | 1 | 5 V | VOUT / VAD | EPT 0x00 | Neither wired nor wireless(1) |
WPC v1.1 specification allows the receiver to turn off the transmitter and put the system in a low-power standby mode. There are two different ways to accomplish this with the bq5102x device. The first method is by using the TS/CTRL pin. By pulling the pin high or low, EPT can be sent to the transmitter.
Pulling the TS/CTRL pin high will send EPT (code 0x01), which corresponds to charge complete. The transmitter will then respond to this EPT code as per the transmitter's design. After this EPT code is sent, some transmitters will then periodically check to make sure that the receiver is not looking for a refresh charge on the battery. The period of how often the transmitter checks varies based on the transmitter design. The transmitter will use the digital ping or a shortened version of it to check the receiver status. It is this energy on the digital ping that the receiver uses to indicate whether it is still sitting on the transmitter surface by storing the energy from the digital ping on the capacitor attached to the TMEM pin. The cap voltage (determined by the periodicity of the digital ping and the bleed off resistor attached in parallel to the TMEM cap) determine when the receiver indicates that it is no longer on the surface of the transmitter by allowing the PD_DET pin to go high impedance.
The TS/CTRL pin can also be pulled low. This will allow the receiver to determine that the host processor would like to shut down the transmitter because of thermal reasons. Therefore, the receiver will send EPT (code 0x03) indicating an overtemperature event.
The WPC allows for a special command to terminate power transfer from the TX termed EPT packet. The v1.1 specifies the following reasons and their responding data field value in Table 3.
| Reason | Value | Condition(1) |
|---|---|---|
| Unknown | 0x00 | AD > 3.6 V |
| Charge complete | 0x01 | TS/CTRL > 1.4V |
| Internal fault | 0x02 | TJ > 150°C or RILIM < 100 Ω |
| Over temperature | 0x03 | TS < VHOT, or TS/CTRL < 100 mV |
| Over voltage | 0x04 | VRECT target does not converge and stays higher or lower than target |
| Battery failure | 0x06 | Not sent |
| Reconfigure | 0x07 | Not sent |
| No response | 0x08 | Not sent |
Communication current limit is a feature that allows for error free communication to happen between the RX and TX in the WPC mode. This is done by decoupling the coil from the load transients by limiting the output current during communication with the TX. The communication current limit is set according to the Table 4. The communication current limit can be disabled by pulling CM_ILIM pin high (> 1.4 V) or enabled by pulling the CM_ILIM pin low. There is an internal pulldown that enables communication current limit when the CM_ILIM pin is left floating.
| IOUT | Communication Current Limit |
|---|---|
| 0 mA < IOUT < 100 mA | None |
| 100 mA < IOUT < 320 mA | IOUT + 50 mA |
| 320 mA < IOUT < Max current | IOUT – 50 mA |
When the communication current limit is enabled, the amount of current that the load can draw is limited. If the charger in the system does not have a VIN-DPM feature, the output of the receiver will collapse if communication current limit is enabled. To disable communication current limit, pull CM_ILIM pin high.
PD_DET is an open-drain pin that goes low based on the voltage of the TMEM pin. When the voltage of TMEM is higher than 1.6 V, PD_DET will be low. The voltage on the TMEM pin depends on capturing the energy from the digital ping from the transmitter and storing it on the C5 capacitor in Figure 9. After the receiver sends an EPT (charge complete), the transmitter shuts down and goes into a low-power mode. After this EPT code is sent, some transmitters will then periodically check to make sure that the receiver is not looking for a refresh charge on the battery. The period of how often the transmitter checks varies based on the transmitter design. The transmitter will use the digital ping or a shortened version of it to check the receiver status. It is this energy on the digital ping that the receiver uses to indicate whether it is still sitting on the transmitter surface by storing the energy from the digital ping on the capacitor attached to the TMEM pin. The cap voltage (determined by the periodicity of the digital ping and the bleed off resistor attached in parallel to the TMEM cap) determine when the receiver indicates that it is no longer on the surface of the transmitter by allowing the PD_DET pin to go high impedance. The energy from the digital ping can be stored on the TMEM pin until the next digital ping refreshes the capacitor. A bleedoff resistor RMEMcan be chosen in parallel with C5 that sets the time constant so that the TMEM pin will fall below 1.6 V once the next ping timer expires. The duration between digital pings is indeterminate and depends on each transmitter manufacturer.
Figure 9. TMEM Configuration
Set capacitor on C5 = TMEM to 2.2 µF. Resistor RMEM across C5 can be set by understanding the duration between digital pings (tping). Set the resistor such that:

PD_DET typically requires a pullup resistor to an external source. The choice of the pullup resistor determines load regulation; the suggested values for the pullup resistor are between 5.6 and 100 kΩ. The higher values offer better load regulation.
The bq5102x device includes a ratio metric external temperature sense function. The temperature sense function has a low ratio metric threshold which represents a hot condition. TI recommends an external temperature sensor in order to provide safe operating conditions for the receiver product. This pin is best used for monitoring the surface that can be exposed to the end user (for example, place the negative temperature coefficient (NTC) resistor closest to the user touch point on the back cover). A resistor in series or parallel can be inserted to adjust the NTC to match the trip point of the device. The implementation in Figure 10 shows the series-parallel resistor implementation for setting the threshold at which VTS-HOT is reached. Once the VTS-HOT threshold is reached, the device will send an EPT – overtemperature signal for a WPC transmitter.
Figure 10. NTC Resistor Setup
Figure 10 shows a parallel resistor setup that can be used to adjust the trip point of VTS-HOT. TS-HOT is VS. After the NTC is chosen and RNTCHOT at VTS-HOT is determined from the data sheet of the NTC, Equation 9 can be used to calculate R1 and R3. In many cases depending on the NTC resistor, R1 or R3 can be omitted. To omit R1, set R1 to 0, and to omit R3, set R3 to 10 MΩ.

Only bq51021
The bq5102x device allows for I2C communication with the internal CPU. In case the I2C is not used, ground SCL and SDA. See Register Maps for more information.
If the input voltage suddenly increases in potential for some condition (for example, a change in position of the equipment on the charging pad), the voltage-control loop inside the bq5102x device becomes active, and prevents the output from going beyond VOUT(REG). The receiver then starts sending back error packets every 30 ms until the input voltage comes back to an acceptable level, and then maintains the error communication every 250 ms.
If the input voltage increases in potential beyond VRECT-OVP, the device switches off the LDO and informs the primary to bring the voltage back to VRECT(REG). In addition, a proprietary voltage protection circuit is activated by means of CCLAMP1 and CCLAMP2 that protects the device from voltages beyond the maximum rating of the device.
At startup operation, the bq5102x device must comply with proper handshaking to be granted a power contract from the WPC transmitter. The transmitter initiates the handshake by providing an extended digital ping after analog ping detects an object on the transmitter surface. If a receiver is present on the transmitter surface, the receiver then provides the signal strength, configuration, and identification packets to the transmitter (see volume 1 of the WPC specification for details on each packet). These are the first three packets sent to the transmitter. The only exception is if there is a true shutdown condition on the AD, or TS/CTRL pins where the receiver shuts down the transmitter immediately. See Table 3 for details. After the transmitter has successfully received the signal strength, configuration, and identification packets, the receiver is granted a power contract and is then allowed to control the operating point of the power transfer. With the use of the bq5102x device Dynamic Rectifier Control algorithm, the receiver will inform the transmitter to adjust the rectifier voltage approximately 8V prior to enabling the output supply. This method enhances the transient performance during system startup. For the startup flow diagram details, see Figure 11.
Figure 11. Wireless Power Startup Flow Diagram on WPC TX
After the startup procedure is established, the receiver will enter the active power transfer stage. This is considered the main loop of operation. The Dynamic Rectifier Control algorithm determines the rectifier voltage target based on a percentage of the maximum output current level setting (set by KILIM and the RILIM). The receiver will send control error packets in order to converge on these targets. As the output current changes, the rectifier voltage target dynamically changes. As a note, the feedback loop of the WPC system is relatively slow, it can take up to 150 ms to converge on a new rectifier voltage target. It should be understood that the instantaneous transient response of the system is open loop and dependent on the receiver coil output impedance at that operating point. The main loop also determines if any conditions in Table 3 are true in order to discontinue power transfer. Figure 12 shows the active power transfer loop.
Figure 12. Active Power Transfer Flow Diagram on WPC
Locations 0x01 and 0x02 can be written to any time. Locations 0xE0 to 0xFF are only functional when VRECT > VUVLO. When VRECT goes below VUVLO, locations 0xE0 to 0xFF are reset.
| Memory Location: 0x01, Default State: 00000001 | |||
|---|---|---|---|
| BIT | NAME | READ / WRITE | FUNCTION |
| B7 (MSB) | Read / Write | Not used | |
| B6 | Read / Write | Not used | |
| B5 | Read / Write | Not used | |
| B4 | Read / Write | Not used | |
| B3 | Read / Write | Not used | |
| B2 | VOREG2 | Read / Write | 450, 500, 550, 600, 650, 700, 750, or 800 mV Changes VO_REG target Default value 001 |
| B1 | VOREG1 | Read / Write | |
| B0 | VOREG0 | Read / Write | |
| Memory Location: 0x02, Default State: 00000111 | |||
|---|---|---|---|
| BIT | NAME | READ / WRITE | FUNCTION |
| B7 (MSB) | JEITA | Read / Write | Not used |
| B6 | Read / Write | Not used | |
| B5 | ITERM2 | Read / Write | Not used for bq5102x |
| B4 | ITERM1 | Read / Write | |
| B3 | ITERM0 | Read / Write | |
| B2 | IOREG2 | Read / Write | 10%, 20%, 30%, 40%, 50%, 60%, 90%, and 100% of IILIM current based on configuration 000, 001, …111 |
| B1 | IOREG1 | Read / Write | |
| B0 | IOREG0 | Read / Write | |
| Memory Location: 0xE0, Reset State: 10000000 | |||
|---|---|---|---|
| BIT | NAME | READ / WRITE | FUNCTION |
| B7 | USER_PKT_DONE | Read | Set bit to 0 to send proprietary packet with header in 0xE2. CPU checks header to pick relevant payload from 0xF1 to 0xF4 This bit will be set to 1 after the user packet with the header in register 0xE2 is sent. |
| B6 | USER_PKT_ERR | Read | 00 = No error in sending packet 01 = Error: no transmitter present 10 = Illegal header found (packet will not be sent) 11 = Error: not defined yet |
| B5 | |||
| B4 | FOD Mailer | Read / Write | Not used |
| B3 | ALIGN Mailer | Read / Write | Setting this bit to 1 will enable alignment aid mode where the CEP = 0 will be sent until this bit is set to 0 (or CPU reset occurs) – see register 0xED |
| B2 | FOD Scaler | Read / Write | Not used |
| B1 | Reserved | Read / Write | |
| B0 | Reserved | Read / Write | |
| Memory Location: 0xE1, Reset State: 00000000(1) | ||||
|---|---|---|---|---|
| BIT | NAME | READ / WRITE | FUNCTION | |
| B7 (MSB) | ESR_ENABLE | Read / Write | Enables I2C based ESR in received power, Enable = 1, Disable = 0 | |
| B6 | OFF_ENABLE | Read / Write | Enables I2C based offset power, Enable = 1, Disable = 0 | |
| B5 | RoFOD5 | Read / Write | 000 – 0 mW 001 – +39 mW 010 – +78 mW 011 – +117 mW 100 – +156 mW |
101 – +195 mW 110 – +234 mW 111 – +273 mW The value is added to received power message |
| B4 | RoFOD4 | Read / Write | ||
| B3 | RoFOD3 | Read / Write | ||
| B2 | RsFOD2 | Read / Write | 000 – ESR 001 – ESR 010 – ESR × 2 011 – ESR × 3 100 – ESR × 4 |
101 – Not used 110 – Not used 111 – ESR/2 |
| B1 | RsFOD1 | Read / Write | ||
| B0 | RsFOD0 | Read / Write | ||
| Memory Location: 0xE2, Reset State: 00000000(1) | |
|---|---|
| BIT | READ / WRITE |
| B7 (MSB) | Read / Write |
| B6 | Read / Write |
| B5 | Read / Write |
| B4 | Read / Write |
| B3 | Read / Write |
| B2 | Read / Write |
| B1 | Read / Write |
| B0 | Read / Write |
| Memory Location: 0xE3, Reset State: 00000000 Range – 0 to 12 V This register reads back the VRECT voltage with LSB = 46 mV |
|||
|---|---|---|---|
| BIT | NAME | READ / WRITE | FUNCTION |
| B7 (MSB) | VRECT7 | Read | LSB = 46 mV |
| B6 | VRECT6 | Read | |
| B5 | VRECT5 | Read | |
| B4 | VRECT4 | Read | |
| B3 | VRECT3 | Read | |
| B2 | VRECT2 | Read | |
| B1 | VRECT1 | Read | |
| B0 | VRECT0 | Read | |
| Memory Location: 0xE4, Reset State: 00000000 This register reads back the VOUT voltage with LSB = 46 mV |
|||
|---|---|---|---|
| BIT | NAME | Read / Write | FUNCTION |
| B7 (MSB) | VOUT7 | Read / Write | LSB = 46 mV |
| B6 | VOUT6 | Read / Write | |
| B5 | VOUT5 | Read / Write | |
| B4 | VOUT4 | Read / Write | |
| B3 | VOUT3 | Read / Write | |
| B2 | VOUT2 | Read / Write | |
| B1 | VOUT1 | Read / Write | |
| B0 | VOUT0 | Read / Write | |
| Memory Location: 0xE8, Reset State: 00000000 This register reads back the received power with LSB = 39 mW |
|
|---|---|
| BIT | Read / Write |
| B7 (MSB) | Read / Write |
| B6 | Read / Write |
| B5 | Read / Write |
| B4 | Read / Write |
| B3 | Read / Write |
| B2 | Read / Write |
| B1 | Read / Write |
| B0 | Read / Write |
| Memory Location: 0xF1, Reset State: 00000000 | |
|---|---|
| BIT | Read / Write |
| B7 (MSB) | Read / Write |
| B6 | Read / Write |
| B5 | Read / Write |
| B4 | Read / Write |
| B3 | Read / Write |
| B2 | Read / Write |
| B1 | Read / Write |
| B0 | Read / Write |
| Memory Location: 0xF2, Reset State: 00000000 | |
|---|---|
| BIT | Read / Write |
| B7 (MSB) | Read / Write |
| B6 | Read / Write |
| B5 | Read / Write |
| B4 | Read / Write |
| B3 | Read / Write |
| B2 | Read / Write |
| B1 | Read / Write |
| B0 | Read / Write |
| Memory Location: 0xF3, Reset State: 00000000 | |
|---|---|
| BIT | Read / Write |
| B7 (MSB) | Read / Write |
| B6 | Read / Write |
| B5 | Read / Write |
| B4 | Read / Write |
| B3 | Read / Write |
| B2 | Read / Write |
| B1 | Read / Write |
| B0 | Read / Write |
| Memory Location: 0xF4, Reset State: 00000000 | |
|---|---|
| BIT | Read / Write |
| B7 (MSB) | Read / Write |
| B6 | Read / Write |
| B5 | Read / Write |
| B4 | Read / Write |
| B3 | Read / Write |
| B2 | Read / Write |
| B1 | Read / Write |
| B0 | Read / Write |