ZHCSCK7A June 2014 – June 2014 DRV8802-Q1
PRODUCTION DATA.
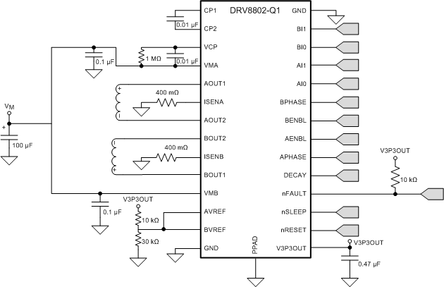
The DRV8802-Q1 device is used in medium voltage brushed-DC motor control applications.
Figure 7. Typical Application Diagram
The example supply for this design is V(VMx) = 18 V.
The current path is through the high-side sourcing DMOS driver, motor winding, and low-side sinking DMOS power driver. Power dissipation I2R losses in one source and sink DMOS driver are shown in Equation 2.

In slow-decay mode, both low-side sinking drivers turn on, allowing the current to circulate through the low side of the H-bridge (two sink drivers) and the load. Power dissipation I2R loses in the two sink DMOS drivers as shown in Equation 3.


