SLVSA74E May 2010 – September 2015 DRV8829
PRODUCTION DATA.
NOTE
Information in the following applications sections is not part of the TI component specification, and TI does not warrant its accuracy or completeness. TI’s customers are responsible for determining suitability of components for their purposes. Customers should validate and test their design implementation to confirm system functionality.
The DRV8829 is used in brushed motor or stepper control.
In this application, the DRV8829 will be used to drive a brushed-DC motor. The following design procedure can be used to configure the DRV8829.
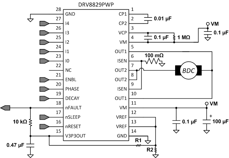
Figure 5. Typical Application Schematic
Table 3 gives design input parameters for system design.
| DESIGN PARAMETER | REFERENCE | EXAMPLE VALUE |
|---|---|---|
| Supply voltage | VM | 24 V |
| Motor winding resistance | RL | 0.83 Ω |
| Motor winding inductance | LL | 232.5 µH |
| Target chopping current | ITRIP | 3.5 A |
The maximum current (ITRIP) is set by the Ix pins, the VREF analog voltage, and the sense resistor value (RSENSE). When starting a brushed-DC motor, a large inrush current may occur because there is no back-EMF. Current regulation will act to limit this inrush current and prevent high current on start-up.

| Example: If the desired chopping current is 3.5 A | ||
| Set RSENSE = 100 mΩ | ||
| VREF would have to be 1.75 V. | ||
| Create a resistor divider from V3P3OUT (3.3 V) to set VREF ≈ 1.75 V. | ||
| Set R2 = 18 kΩ, set R1 = 16 kΩ | ||
For optimal performance, it is important for the sense resistor to be:
The power dissipated by the sense resistor equals Irms² x R. For example, if the rms motor current is 2-A and a 100-mΩ sense resistor is used, the resistor will dissipate 2 A² × 0.1 Ω = 0.4 W. The power quickly increases with greater current levels.
Resistors typically have a rated power within some ambient temperature range, along with a de-rated power curve for high ambient temperatures. When a PCB is shared with other components generating heat, margin should be added. It is always best to measure the actual sense resistor temperature in a final system, along with the power MOSFETs, as those are often the hottest components.
Because power resistors are larger and more expensive than standard resistors, it is common practice to use multiple standard resistors in parallel, between the sense node and ground. This distributes the current and heat dissipation.
Figure 6. Motor Start-up without Current Regulation, Overcurrent Trips
Figure 8. Motor Start-up With Current Regulation, Motor Reaches Steady State
Figure 7. Motor Start-up With Current Regulation