SLVS047L November 1981 – January 2015 LM237 , LM337
PRODUCTION DATA.
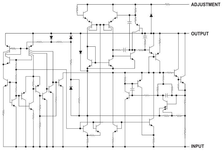
The LMx37 devices are adjustable 3-terminal negative-voltage regulators capable of supplying in excess of –1.5 A over an output voltage range of –1.2 V to –37 V. They are exceptionally easy to use, requiring only two external resistors to set the output voltage and one output capacitor for frequency compensation. The current design is optimized for excellent regulation and low thermal transients. In addition, LM237 and LM337 feature internal current limiting, thermal shutdown, and safe-area compensation, making them virtually immune to failure by overloads. The LMx37 devices serve a wide variety of applications, including local on-card regulation, programmable output-voltage regulation, and precision current regulation.


The ADJUSTMENT pin serves as a voltage adjustment reference for the output. The ADJUSTMENT pin can be attached to a resistor divider circuit to adjust its own voltage level. The reference voltage VADJUSTMENT will typically be 1.25 V higher than VO.
The device has a single functional mode: Adjustable output voltage mode. A resistor divider circuit on the ADJUSTMENT pin determines the output voltage.