ZHCSGG3 June 2017 LM337-N-MIL
PRODUCTION DATA.
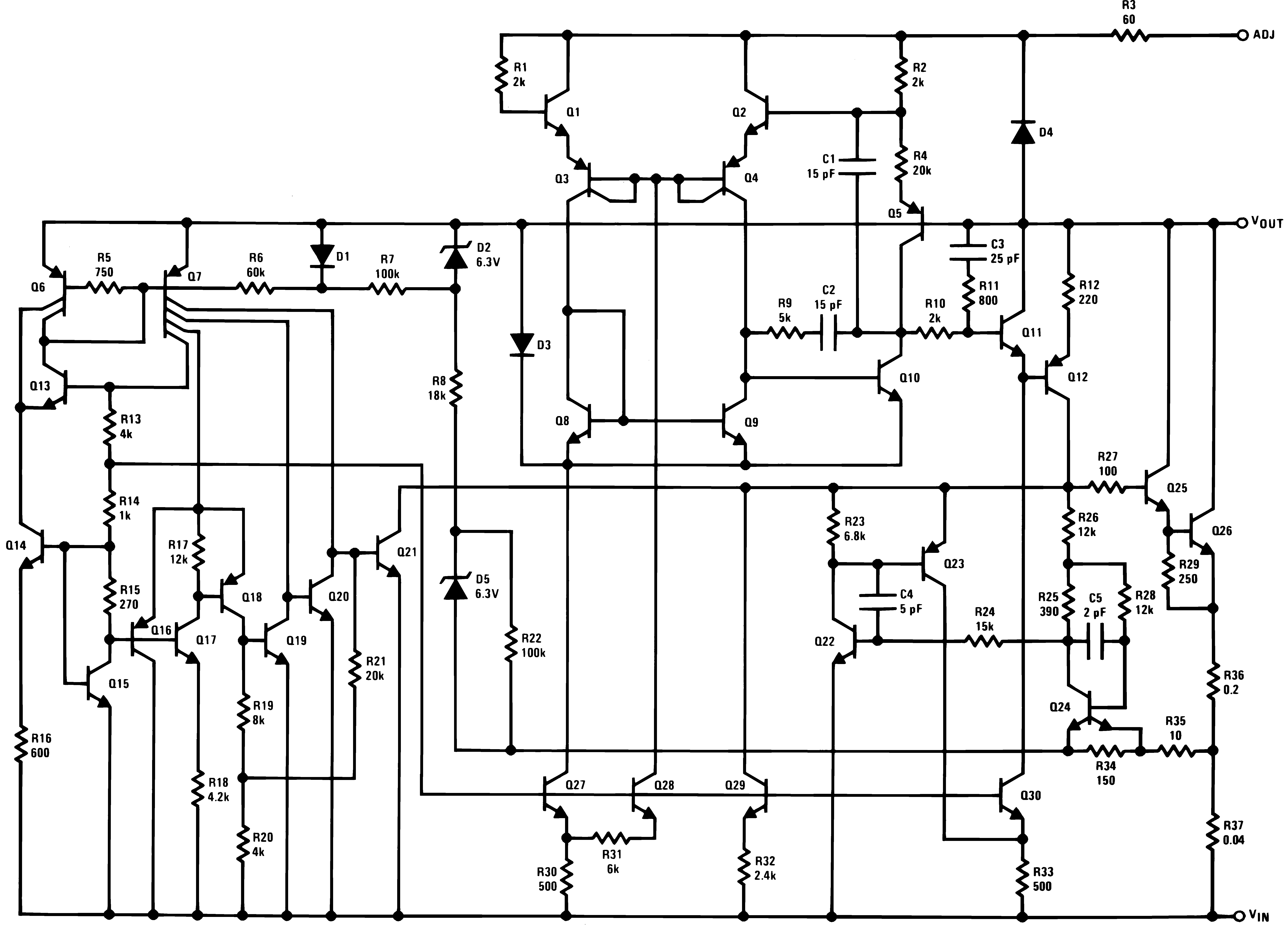
In operation, the LM337-N-MIL develops a nominal −1.25-V reference voltage between the output and adjustment terminal. The reference voltage is impressed across program resistor R1 (120 Ω for example) and, because the voltage is constant, a constant current then flows through the output set resistor R2, giving an output voltage calculated by Equation 1.

When power is dissipated in an IC, a temperature gradient occurs across the IC chip affecting the individual IC circuit components. With an IC regulator, this gradient can be especially severe because power dissipation is large. Thermal regulation is the effect of these temperature gradients on output voltage (in percentage output change) per Watt of power change in a specified time. Thermal regulation error is independent of electrical regulation or temperature coefficient, and occurs within 5 ms to 50 ms after a change in power dissipation. Thermal regulation depends on IC layout as well as electrical design. The thermal regulation of a voltage regulator is defined as the percentage change of VOUT, per Watt, within the first 10 ms after a step of power is applied.
When external capacitors are used with any IC regulator, it is sometimes necessary to add protection diodes to prevent the capacitors from discharging through low current points into the regulator. Most 10-μF capacitors have low enough internal series resistance to deliver 20-A spikes when shorted. Although the surge is short, there is enough energy to damage parts of the IC.
When an output capacitor is connected to a negative output regulator and the input is shorted, the output capacitor pulls current out of the output of the regulator. The current depends on the value of the capacitor, the output voltage of the regulator, and the rate at which VIN is shorted to ground.
The bypass capacitor on the adjustment terminal can discharge through a low current junction. Discharge occurs when either the input, or the output, is shorted. Figure 13 shows the placement of the protection diodes.