ZHCSDS1D June 2011 – May 2015 SM74104
PRODUCTION DATA.
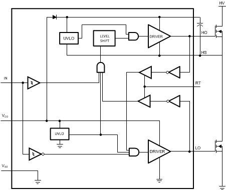
SM74104 is a high voltage, high speed, dual output driver designed to drive top and bottom MOSFETs connected in synchronous buck or half-bridge configuration. SM74104 also features adaptive delay to prevent shoot-through current through top and bottom MOSFETs during switching transitions. The outputs that drive the top and bottom MOSFETs are controlled by one externally provided PWM signal.

Referring to the timing diagram in Figure 16, the rising edge of the PWM input (IN) turns off the bottom MOSFET (LO) after a short propagation delay (tP). An adaptive circuit in the SM74104 monitors the bottom gate voltage (LO) and triggers a programmable delay generator when the LO pin falls below an internally set threshold (≈ Vdd/2). The gate drive of the upper MOSFET (HO) is disabled until the deadtime expires. The upper gate is enabled after the TIMER delay (tP+TRT), and the upper MOSFET turns-on. The additional delay of the timer prevents lower and upper MOSFETs from conducting simultaneously, thereby preventing shoot-through.

A falling transition on the PWM signal (IN) initiates the turn-off of the upper MOSFET and turn-on of the lower MOSFET. A short propagation delay (tP) is encountered before the upper gate voltage begins to fall. Again, the adaptive shoot-through circuitry and the programmable deadtime TIMER delays the lower gate turn-on time. The upper MOSFET gate voltage is monitored and the deadtime delay generator is triggered when the upper MOSFET gate voltage with respect to ground drops below an internally set threshold (≈ Vdd/2). The lower gate drive is momentarily disabled by the timer and turns on the lower MOSFET after the deadtime delay expires (tP+TRT).
The RT pin is biased at 3V and current limited to 1mA. It is designed to accommodate a resistor between 5K and 100K, resulting in an effective dead-time proportional to RT and ranging from 90ns to 200ns. RT values below 5K will saturate the timer and are not recommended.
Both top and bottom drivers include under-voltage lockout (UVLO) protection circuitry which monitors the supply voltage (VDD) and bootstrap capacitor voltage (VHB – VHS) independently. The UVLO circuit inhibits each driver until sufficient supply voltage is available to turn-on the external MOSFETs, and the built-in hysteresis prevents chattering during supply voltage transitions. When the supply voltage is applied to VDD pin of SM74104, the top and bottom gates are held low until VDD exceeds UVLO threshold, typically about 6.9V. Any UVLO condition on the bootstrap capacitor will disable only the high side output (HO).
The total IC power dissipation is the sum of the gate driver losses and the bootstrap diode losses. The gate driver losses are related to the switching frequency (f), output load capacitance on LO and HO (CL), and supply voltage (VDD) and can be roughly calculated as:
There are some additional losses in the gate drivers due to the internal CMOS stages used to buffer the LO and HO outputs. The following plot shows the measured gate driver power dissipation versus frequency and load capacitance. At higher frequencies and load capacitance values, the power dissipation is dominated by the power losses driving the output loads and agrees well with the above equation. This plot can be used to approximate the power losses due to the gate drivers.
Figure 17. Gate Driver Power Dissipation (LO + HO)The bootstrap diode power loss is the sum of the forward bias power loss that occurs while charging the bootstrap capacitor and the reverse bias power loss that occurs during reverse recovery. Since each of these events happens once per cycle, the diode power loss is proportional to frequency. Larger capacitive loads require more current to recharge the bootstrap capacitor resulting in more losses. Higher input voltages (VIN) to the half bridge result in higher reverse recovery losses. The following plot was generated based on calculations and lab measurements of the diode recovery time and current under several operating conditions. This can be useful for approximating the diode power dissipation.
Figure 18. Diode Power Dissipation VIN = 80V
Figure 19. Diode Power Dissipation VIN = 40V
The total IC power dissipation can be estimated from the above plots by summing the gate drive losses with the bootstrap diode losses for the intended application. Because the diode losses can be significant, an external diode placed in parallel with the internal bootstrap diode (refer to Figure 20) can be helpful in removing power from the IC. For this to be effective, the external diode must be placed close to the IC to minimize series inductance and have a significantly lower forward voltage drop than the internal diode.