ZHCSDZ2A February 2013 – July 2015 THS4532
PRODUCTION DATA.

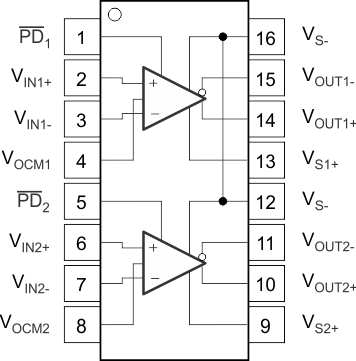
| PIN | I/O | DESCRIPTION | |
|---|---|---|---|
| NAME | NO. | ||
| PD1 | 1 | — | Power-down 1, PD = logic low = low power mode, PD = logic high = normal operation (PIN MUST BE DRIVEN) |
| PD2 | 5 | — | Amplifier 2 Power-down, PD = logic low = low power mode, PD = logic high = normal operation (PIN MUST BE DRIVEN) |
| VIN1+ | 2 | I | Noninverting amplifier 1 input |
| VIN1- | 3 | I | Inverting amplifier 1 input |
| VIN2+ | 6 | I | Noninverting amplifier 2 input |
| VIN2- | 7 | I | Inverting amplifier 2 input |
| VOCM1 | 4 | I | Common-mode voltage input 1 |
| VOCM2 | 8 | I | Common-mode voltage input 2 |
| VOUT1+ | 14 | O | Noninverting amplifier 1 output |
| VOUT1- | 15 | O | Inverting amplifier 1 output |
| VOUT2+ | 10 | O | Noninverting amplifier 2 output |
| VOUT2- | 11 | O | Inverting amplifier 2 output |
| VS- | 12, 16 | I | Negative power-supply input. Note VS– tied together on multichannel devices |
| VS1+ | 13 | I | Amplifier 1 positive power-supply input |
| VS2+ | 9 | I | Amplifier 2 positive power-supply input |