ZHCSA03C july 2012 – november 2020 TL1431-SP
PRODUCTION DATA
Data at high and low temperatures are applicable only within the recommended operating free-air temperature ranges of the various devices.
Figure 6-1 Reference
Voltage vs Free-Air Temperature
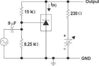
Figure 6-3 Cathode Current
vs Cathode Voltage
Figure 6-5 Off-State
Cathode Current vs Free-Air Temperature
Figure 6-7 Equivalent
Input-Noise Voltage vs Frequency
Figure 6-2 Reference
Current vs Free-Air Temperature
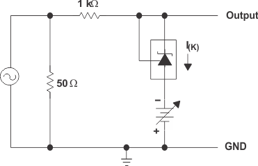
Figure 6-4 Cathode Current
vs Cathode Voltage
Figure 6-6 Ratio of Delta
Reference Voltage to Delta Cathode Voltage vs Free-Air Temperature
Figure 6-8 Equivalent
Input-Noise Voltage Over a 10-s Period
Figure 6-10 Small-Signal
Voltage Amplification vs Frequency
Figure 6-12 Reference
Impedance vs Frequency
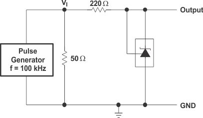
Figure 6-14 Pulse
Response




