ZHCSIT9C November 2018 – February 2024 TMUX1104
PRODUCTION DATA
請參考 PDF 數據表獲取器件具體的封裝圖。
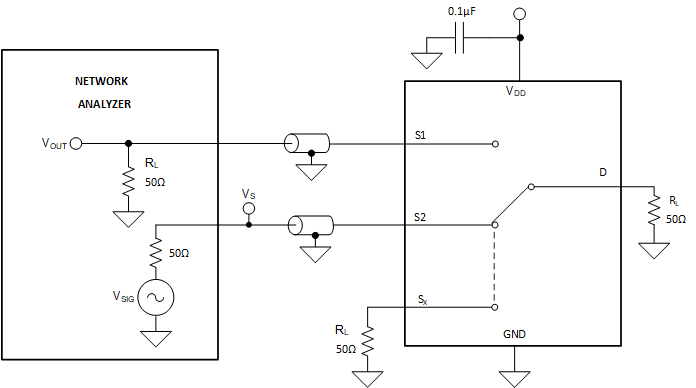
Crosstalk is defined as the ratio of the signal at the drain pin (D) of a different channel, when a signal is applied at the source pin (Sx) of an on-channel. Figure 6-9 shows the setup used to measure, and the equation used to calculate crosstalk.
Figure 6-9 Crosstalk Measurement Setup