ZHCSJ87A December 2018 – July 2022 TMUX6121 , TMUX6122 , TMUX6123
PRODUCTION DATA
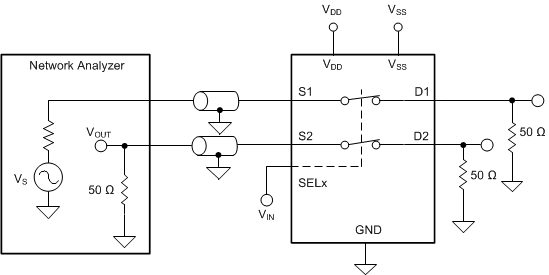
Channel-to-channel crosstalk is defined as the voltage at the source pin (Sx) of an off-channel, when a 1-VRMS signal is applied at the source pin (Sx) of an on-channel. Figure 8-8 shows the setup used to measure, and Equation 3 is the equation used to compute, channel-to-channel crosstalk.
Figure 8-8 Channel-to-Channel Crosstalk Measurement Setup