ZHCSM42C may 2020 – april 2023 TPS543320
PRODUCTION DATA
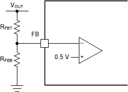
The output voltage is programmed with a resistor divider from the output (VOUT) to the FB pin shown in Figure 7-3. TI recommends using 1% tolerance or better divider resistors. Starting with a fixed value for the bottom resistor, typically 10 kΩ, use Equation 3 to calculate the top resistor in the divider.
Figure 7-3 FB Resistor Divider