ZHCSPU3A October 2023 – December 2023 TPSM843320
PRODUCTION DATA
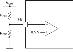
The output voltage is programmed with a resistor divider from the output (VOUT) to the FB pin shown in Figure 6-3. TI recommends to use 1% tolerance or better divider resistors. Starting with a fixed value for the bottom resistor, typically 10 kΩ, use Equation 3 to calculate the top resistor in the divider.
Figure 6-3 FB Resistor Divider