ZHCSDH6B December 2014 – March 2015 UCC28063A
PRODUCTION DATA.
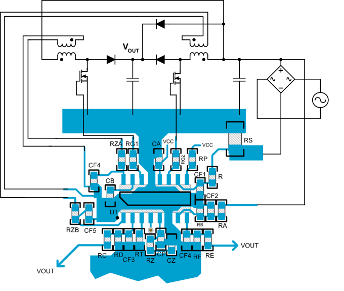
Interleaved transition-mode PFC system architecture dramatically reduces input and output ripple current, allowing the circuit to use smaller and less expensive filters. To maximize the benefits of interleaving, the input and output filter capacitors should be located after the two phase currents are combined together. Similar to other power management devices, when laying out the printed circuit board (PCB) it is important to use star grounding techniques and keep filter capacitors as close to device ground as possible. To minimize the interference caused by capacitive coupling from the boost inductor, the device should be located at least 1 in (25.4 mm) away from the boost inductor. It is also recommended that the device not be placed underneath magnetic elements. Because of the precise timing requirement, timing-setting resistor RT should be placed as close as possible to the TSET pin and returned to the analog ground pin with the shortest possible path. See Figure 39 for a recommended component placement and layout.
