ZHCSFK9C September 2016 – October 2024 UCC28950-Q1 , UCC28951-Q1
PRODUCTION DATA
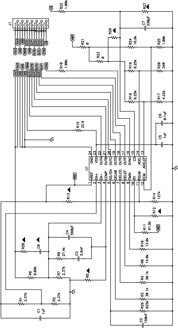
The CT chosen for this design has a turns ratio (CTRAT) of 100:1 in Equation 97:

Calculate nominal peak current (IP1) at VINMIN:
The peak primary current is calculated using Equation 98:

The CS pin voltage where peak current limit will trip is:

Calculate current sense resistor (RCS) and leave 300mV for slope compensation using Equation 100. Include a 1.1 factor for margin:

Select a standard resistor for RCS:

Estimate the power loss for RCS using Equation 102:

Calculate maximum reverse voltage (VDA) on DA using Equation 103:

Estimate the DA power loss (PDA) using Equation 104:

Calculate reset resistor R7:
Resistor R7 is used to reset the current sense transformer CT:

Resistor RLF1 and capacitor CLF form a low-pass filter for the current sense signal (Pin 15). For this design, chose the following values. This filter has a low frequency pole (fLFP) at 482kHz, (which is appropriate for most applications) but may be adjusted to suit individual layouts and EMI present in the design.



The UCC2895x-Q1 VREF output (Pin 1) needs a high frequency bypass capacitor to filter out high frequency noise. This pin needs at least 1μF of high-frequency bypass capacitance (CREF).

The voltage amplifier reference voltage (Pin 2, EA +) can be set with a voltage divider (R1, R2), for this design example, the error amplifier reference voltage (V1) will be set to 2.5V. Select a standard resistor value for R1 and then calculate resistor value R2.
UCC2895x-Q1 reference voltage:

Set voltage amplifier reference voltage:



The voltage divider formed by resistor R3 and R4 are chosen to set the DC output voltage (VOUT) at Pin 3 (EA-).
Select a standard resistor for R3:

Calculate R4 using Equation 115:

Then choose a standard resistor for R4 using Equation 116:

TI recommends using an RCD clamp to protect the output synchronous FETs from overvoltage due to switch node ringing.
Figure 7-5 Daughter
Board Schematic