SNOAA78 June 2021 DS26F31MQML-SP , DS26F32MQML-SP
The Serial Peripheral Interface (SPI) is commonly used in embedded systems to connect microcontrollers to peripheral devices such as ADCs and DACs. It is often used in spacecraft applications, and sometimes an isolated SPI implementation is necessary to preserve the spacecraft grounding principles or to support DC offsets.
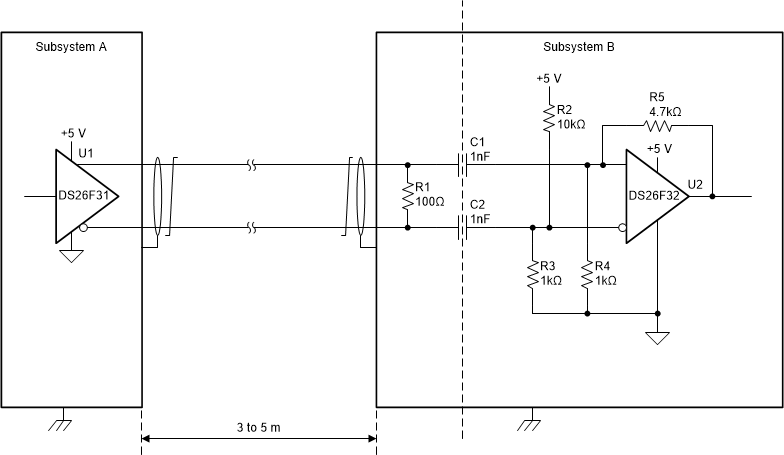
The following circuit uses the DS26F31MQML-SP and DS26F32MQML-SP RS-422 driver and receiver devices to implement one channel of an isolated SPI. Isolation is provided by the AC-coupling capacitors, whose voltage rating determines the level of isolation supported.

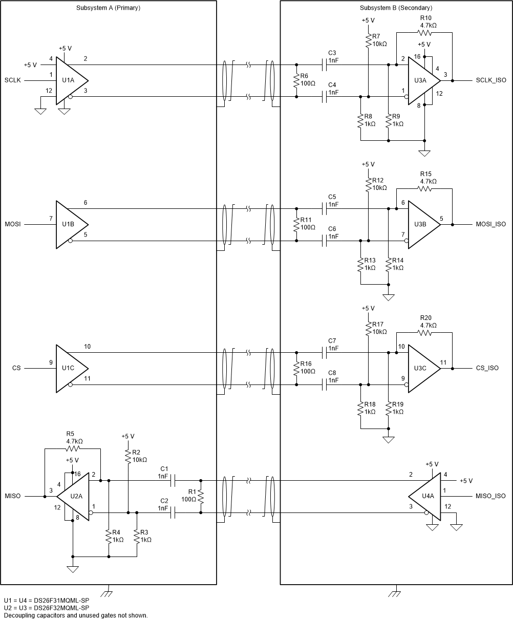
The following image is a typical four-signal SPI implementation. The circuit shown uses the DS26F31MQML-SP and DS26F32MQML-SP devices and a 5-V supply voltage.
