SSZTBX2 november 2015 TPS22965 , TPS22975
In most systems, capacitors are placed throughout a design to ensure there are no supply-rail voltage drops. When power is initially applied to the system, charging these capacitors can result in an inrush current that can cause several problems for the system if unaddressed.
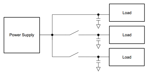
Figure 1 shows an example system that uses a power supply – DC/DC, low dropout (LDO) regulator, or external supply – to supply voltage to a downstream load.
Figure 1 Typical Power
DistributionUpon system startup, the power supply will ramp up to the regulated voltage. As the voltage increases, an inrush of current flows into the uncharged capacitors. This inrush current can also be generated when a capacitive load is switched onto a power rail and must be charged to that voltage level. The amount of inrush current into the capacitors is determined by the slope of the voltage ramp, expressed as Equation 1:

Where IINRUSH is the amount of inrush current caused by a capacitance, C is the total capacitance, dV is the change in voltage during ramp up and dt is the rise time during voltage ramp up.
There are two key design challenges associated with inrush current. The first challenge is exceeding the absolute maximum current ratings of the traces and components on the circuit board. All connectors and terminal blocks have a specific current rating that could cause damage to these parts if exceeded. Likewise, all PCB traces are designed with a certain current-carrying capability in mind and are also at risk for damage.
But appropriately designing for a large inrush current peak will lead to thicker PCB traces and more durable connectors, which can increase the size and cost of the overall design. With reduced inrush current, you can optimize these traces and connectors for a smaller, less expensive design.
The second challenge occurs when a capacitive load switches onto an already stable voltage rail. If the power supply cannot handle the amount of inrush current needed to charge that capacitor, then the voltage on that rail will be pulled down. Figure 2 shows this behavior.
Figure 2 Power-Supply Dip Due to Inrush
CurrentYou can reduce inrush current by increasing the voltage rise time on the load capacitance and slowing down the rate at which the capacitors charge. All TI load switches feature a controlled output slew rate to mitigate inrush current. Figure 3 shows the typical application circuit for a load switch.
Figure 3 Typical Load Switch Application CircuitFigure 4 shows a 5-V power supply brought down to 1.8 V using a buck converter. After the 1.8-V rail powers up, a 100-μF capacitance is applied to the system.
Figure 4 System Block Diagram without
Slew-Rate ControlWith no controlled rise time, the switch does not provide any inrush current management; see the results in Figure 5.
Figure 5 Inrush Current and Voltage
Drop without Slew-Rate ControlFigure 6 shows the same system, except the TPS22975 load switch (with controlled rise time) switches the capacitive load.
Figure 6 Inrush Current and Voltage
Drop with Slew-Rate Control Using the TPS22975The controlled rise time prevents the voltage drop in the supply voltage and reduces the inrush current to a manageable amount.
Large capacitance can lead to inrush current, resulting in device damage, system instability or undesired behavior. Using a TI load switch is both a size- and cost-efficient solution for managing inrush current.