ZHCSOH3B July 2021 – May 2022 DLP300S
PRODUCTION DATA
| MIN | NOM | MAX | UNIT | |||
|---|---|---|---|---|---|---|
| LPSDR | ||||||
| tr | Rise slew rate(1) | (30% to 80%) × VDD, Figure 6-3 | 1 | 3 | V/ns | |
| t? | Fall slew rate(1) | (70% to 20%) × VDD, Figure 6-3 | 1 | 3 | V/ns | |
| tr | Rise slew rate(2) | (20% to 80%) × VDD, Figure 6-4 | 0.25 | V/ns | ||
| t? | Fall slew rate(2) | (80% to 20%) × VDD, Figure 6-4 | 0.25 | V/ns | ||
| tc | Cycle time LS_CLK, | Figure 6-2 | 7.7 | 8.3 | ns | |
| tW(H) | Pulse duration LS_CLK high | 50% to 50% reference points, Figure 6-2 | 3.1 | ns | ||
| tW(L) | Pulse duration LS_CLK low | 50% to 50% reference points, Figure 6-2 | 3.1 | ns | ||
| tsu | Setup time | LS_WDATA valid before LS_CLK ↑, Figure 6-2 | 1.5 | ns | ||
| th | Hold time | LS_WDATA valid after LS_CLK ↑, Figure 6-2 | 1.5 | ns | ||
| tWINDOW | Window time(1)(4) | Setup time + Hold time, Figure 6-2 | 3 | ns | ||
| tDERATING | Window time derating(1)(4) | For each 0.25 V/ns reduction in slew rate below 1 V/ns, Figure 6-6 | 0.35 | ns | ||
| SubLVDS | ||||||
| tr | Rise slew rate | 20% to 80% reference points, Figure 6-5 | 0.7 | 1 | V/ns | |
| t? | Fall slew rate | 80% to 20% reference points, Figure 6-5 | 0.7 | 1 | V/ns | |
| tc | Cycle time DCLK, | Figure 6-7 | 1.79 | 1.85 | ns | |
| tW(H) | Pulse duration DCLK high | 50% to 50% reference points, Figure 6-7 | 0.79 | ns | ||
| tW(L) | Pulse duration DCLK low | 50% to 50% reference points, Figure 6-7 | 0.79 | ns | ||
| tsu | Setup time | D(0:3) valid before DCLK ↑ or DCLK ↓, Figure 6-7 | ||||
| th | Hold time | D(0:3) valid after DCLK ↑ or DCLK ↓, Figure 6-7 | ||||
| tWINDOW | Window time | Setup time + Hold time, Figure 6-7, Figure 6-8 | 0.3 | ns | ||
| tLVDS-ENABLE+REFGEN | Power-up receiver(3) | 2000 | ns | |||

Figure 6-3 LPSDR
Input Slew Rate
Figure 6-4 LPSDR
Input Slew Rate
Figure 6-5 SubLVDS
Input Rise and Fall Slew Rate
Figure 6-6 Window Time Derating Concept
Figure 6-7 SubLVDS
Switching Parameters
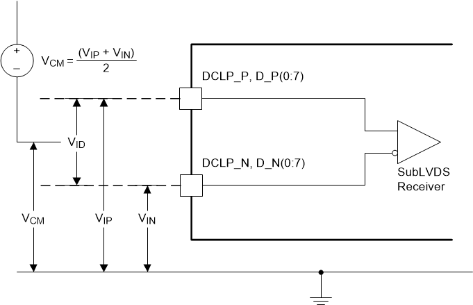
Figure 6-9 SubLVDS
Voltage Parameters
Figure 6-10 SubLVDS Waveform ParametersVSubLVDS(max) = VCM(max) + ? × |VID(max)|
VSubLVDS(min) = VCM(min) – ? × |VID(max)|
Figure 6-11 SubLVDS
Equivalent Input Circuit
Figure 6-12 LPSDR
Input Hysteresis
Figure 6-13 LPSDR
Read Out