ZHCSR67 July 2020 DRV8353M
PRODUCTION DATA
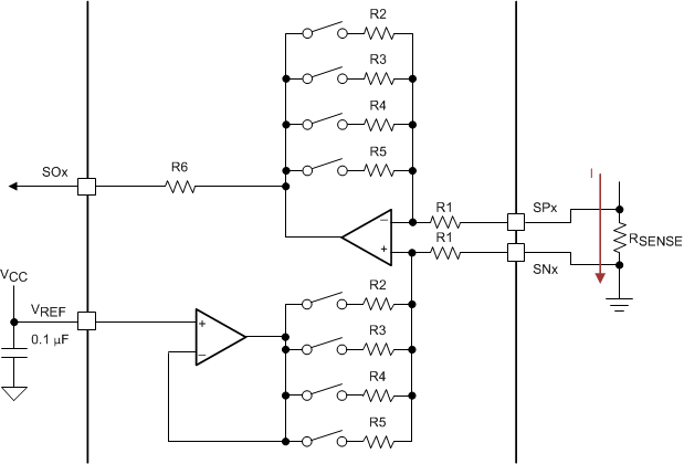
On the DRV8353M SPI devices, use the VREF_DIV bit to remove the VREF divider. In this case the shunt amplifier operates unidirectionally and SOx outputs an analog voltage equal to the voltage across the SPx and SNx pins multiplied by the gain setting (GCSA). Use Equation 4 to calculate the current through the shunt resistor.

Figure 13-24 Unidirectional Current-Sense Configuration
Figure 13-25 Unidirectional Current-Sense Output
Figure 13-26 Unidirectional Current-Sense Regions