ZHCSNX2 July 2021 TMUX1248
PRODUCTION DATA
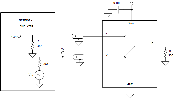
Crosstalk is defined as the ratio of the signal at the drain pin (D) of a different channel, when a signal is applied at the source pin (Sx) of an on-channel. Figure 7-8 shows the setup used to measure, and the equation used to calculate crosstalk.
Figure 7-8 Crosstalk Measurement Setup