ZHCSMJ4 March 2021 TPS92391
PRODUCTION DATA
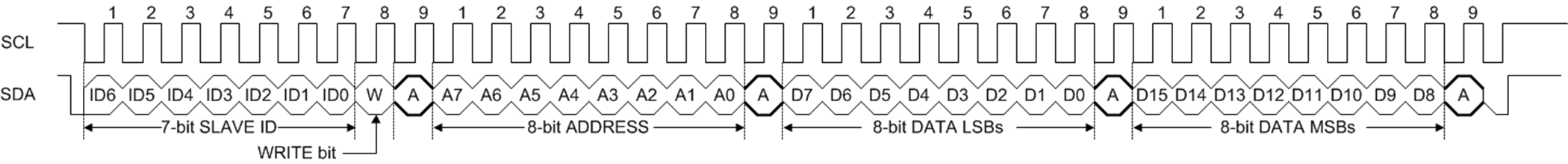
The TPS92391 device supports I2C interface to access and change the configuration. The 7-bit base slave address is 0x2A or 0x2B. The address could be configured through the resistor settings of MODE pin.
Write I2C transactions are made up of 4 bytes. The first byte includes the 7-bit slave address and Write bit. The 7-bit slave address selects the TPS92391 slave device. The second byte is eight bits register address. The last two bytes are the 16-bit register value.
Read I2C transactions are made up of 5 bytes. The first byte includes the 7-bit slave address and Write bit. The 7-bit slave address selects the TPS92391 slave device. The second byte is eight bits register address. The third byte includes the 7-bit slave address and Read bit. The last two bytes are the 16-bit register value returned from the slave.

where

where